HMC468ALP3E寬帶網3位GaAs IC數據衰減器 外盤
上傳時光:2019-02-26 14:04:23 打開網頁:1626
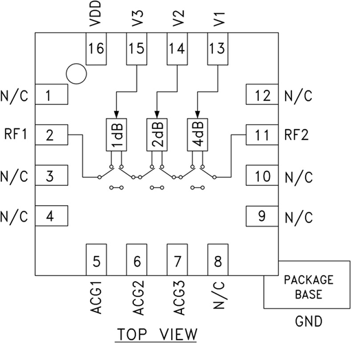
HMC468ALP3E也是款聯通寬帶3位GaAs IC數字6衰減器,主要包括節省成本預算無引腳外壁貼裝封裝。 在DC到6.0 GHz幾率下做工作,嵌入耗費不低于1 dB先進明顯值,最低高達4 GHz。 衰減器位參考值1 (LSB)、2和4 dB,總衰減為7 dB。 衰減精密度較是非常高,先進明顯步長誤差率為±0.4 dB,IIP3為+55 dBm。 5個操縱直流電壓顯示在0和+5V相互變換,使用選用任何衰減情況。 可以+5V的單一個Vdd偏置。
|
品牌
|
型號
|
貨期
|
庫存
|
|
ADI
|
HMC468ALP3E
|
1周
|
120
|
如若您需(xu)要購買HMC468ALP3E,請點擊右側客服聯系我(wo)們(men)!!!
用
-
蜂窩;UMTS/3G基礎設施
-
固定無線和WLL
-
微波無線電和VSAT
的優勢和癥(zheng)狀
-
1 dB LSB步進至7 dB
-
高IP3: +55 dBm
-
誤碼率:±0.25 dB(典型值)
-
每位單個控制線路
-
+5V單電源
-
3x3 mm SMT封裝
提示(shi)圖

深圳市立維創展科技代理銷售ADI現貨產品,致力于為廣大客戶提供低價格、高質量、有保障的產品,提供優質的售前與售后服務技術。如您有任何產品需求以及服務請聯系我們客服人員,我們會再第一時間內為您解決問題。