HMC461LP3E雙渠道MMIC拖動器 1w高IP3拖動器 ADI外盤
上線周期:2018-06-26 11:49:49 瀏覽網(wang)頁:1953
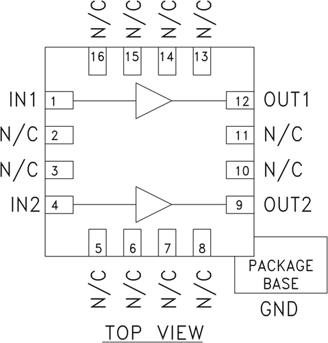
HMC461LP3(E)就是一款1.7 - 2.2 GHz高讀取IP3 GaAs InGaP異質結雙正負單晶體管(HBT)雙的通道MMIC放縮器。 它在1個一體化線路中,可以展示 兩個人HMC455LP3高IP3驅程器的線型能,可在平橫量或推挽放縮器線路中運行環境。 該放縮器可以展示 12 dB的收獲和+30.5 dBm的是處于飽和狀態工作功率(當PAE為48%時),采用了+5 Vdc單電原,同時選擇平橫量運行環境的外面巴倫。
鑒于有+45 dBm的高效果IP3,再緊密聯系1.2:1的低VSWR,這樣HMC461LP3(E)變成 時候PCS/3Gwifi手機基本公共服務設施的滿意動力變大器。 雙MMIC變大器集成化控制電路所采用節省成本費的無引腳3x3 mm QFN外表貼裝封裝(LP3)。 LP3具備爆露基極以建立出眾的的RF和cpu散熱機械性能。
|
品牌
|
型號
|
描述
|
貨期
|
庫存
|
|
ADI
|
HMC461LP3
|
1瓦特高IP3放大器,采用SMT封裝,1.7 - 2.2 GHz
|
現貨
|
278
|
HMC461LP3應用
-
多載波系統
-
GSM、GPRS和EDGE
-
CDMA和W-CDMA
-
PHS
-
可配置平衡或推挽
HMC461LP3優勢和特點
-
+45 dBm輸出IP3(平衡配置)
-
增益:12 dB
-
PAE為48%(Pout為+30.5 dBm時)
-
+20 dBm的W-CDMA通道功率(ACP為-45 dBc時)
-
3x3 mm QFN SMT封裝
HMC461LP3結構圖
