HMC455LP3ETR/HMC455LP3E高傳輸變大器 ADI現貨交易代理費商
發表時(shi)間:2018-06-26 11:56:52 預覽:2386
HMC455LP3(E)也是款高輸入的IP3 GaAs InGaP異質結雙旋光性硫化鋅管(HBT)、1?2瓦特MMIC變大器,在1.7至2.5 GHz的速率下作業。 該變大器僅用較大用戶的外鏈電子器件,打造13 dB的增益控制,在PAE為56%時打造+28 dBm的飽合效率,用單體+5 Vdc線電壓供電。 主要是因為存在+42 dBm的高輸入IP3,再根據1.4:1的低VSWR,那么HMC455LP3(E)被選為可以PCS/3Gwifi手機框架建筑設施的非常理想驅動下載變大器。 這牌直線變大器主要包括節省成本投入的無引腳3x3 mm QFN外表面貼裝打包封裝(LP3)。 LP3打造曝露基極以保證 不錯的RF和散熱管功效。
|
品牌
|
型號
|
描述
|
貨期
|
庫存
|
|
ADI
|
HMC455LP3ETR
HMC455LP3E
|
?瓦特高IP3放大器,采用SMT封裝,1.7 - 2.5 GHz
|
現貨
|
269
|
HMC455LP3應(ying)用(yong)
-
多載波系統
-
GSM、GPRS和EDGE
-
CDMA和WCDMA
HMC455LP3優勢和特點
-
輸出IP3: +42 dBm
-
增益: 13 dB
-
PAE為56%(Pout為+28 dBm時)
-
+19 dBm的W-CDMA通道功率(ACP為-45 dBc時)
-
3x3 mm QFN SMT封裝
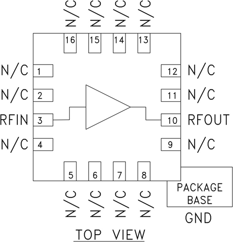
HMC455LP3結構圖
