HMC-APH633/HMC-APH633-SX/HMC-APH633-WP高的英語馬力變成器 ADI現貨黃金
發布(bu)新聞時期:2018-06-26 15:26:00 訪問(wen) :6993
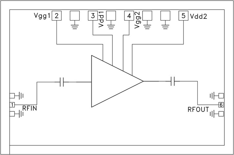
HMC-APH633有的是款二級GaAs HEMT MMIC中等偏上任務電流電壓放縮器,任務的頻率位置為71至76 GHz。 HMC-APH633展示13 dB增加收益,通過+4V供電電流電壓時具備+20 dBm輸出電壓任務電流電壓(1 dB文件壓縮)。 整個焊盤和電源芯片后邊都進行Ti/Au塑料化,放縮器已完全性鈍化以達成安全可靠實操。
HMC-APH633 GaAs HEMT MMIC中上熱效率擴大器兼容以往的處理處理器貼裝原則,及及熱文件壓縮和熱超聲檢查線焊接工藝藝,特別適MCM和攪拌微電線app。 這兒顯視的幾乎所有數劇均是處理處理器在50 Ω氛圍下使用的RF紅外探頭相處得出。
|
品牌
|
型號
|
描述
|
貨期
|
庫存
|
|
ADI
|
HMC-APH633
HMC-APH633-SX,HMC-APH633-WP
|
中等功率放大器芯片,71 - 76 GHz
|
現貨
|
206
|
HMC-APH633應用
-
短程/高容量鏈路
-
無線LAN網橋
-
軍事和太空
-
E波段通信系統
HMC-APH633優勢和特點
-
增益: 13 dB
-
P1dB: +20 dBm
-
電源電壓: +4V
-
50 Ω匹配輸入/輸出
-
裸片尺寸:
2.47 x 1.60 x 0.05 mm
HMC-APH633結構圖
