HMC-APH634多級GaAs HEMT MMIC高的英語電功率拖動器 ADI現貨平臺
發部(bu)時:2018-06-26 15:32:54 網頁(ye)瀏(liu)覽:7012
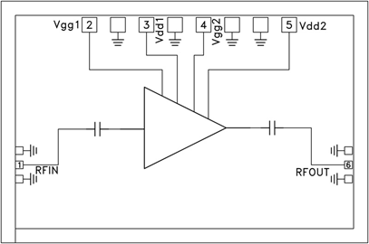
HMC-APH634就是一款兩極GaAs HEMT MMIC適中效率調小器,本職工作頻次范圍之內為81至86 GHz。 HMC-APH634能提供12 dB收獲,所采用+4V供電時具備有+20 dBm輸送效率(1 dB縮減)。 任何焊盤和IC心片正面都根據Ti/Au金屬材料化。 HMC-APH634 GaAs HEMT MMIC適中效率調小器兼容傳統的IC心片貼裝原則,相應熱縮減和熱彩超線焊接藝,至關比較適合MCM和混合式微電源電路用。 在此信息顯示的任何數據信息均是IC心片在50 Ω生態下動用RF紅外探頭碰觸測定。
|
品牌
|
型號
|
描述
|
貨期
|
庫存
|
|
ADI
|
HMC-APH634
|
中等功率放大器芯片,81 - 86 GHz
|
現貨
|
198
|
廣泛應用
HMC-APH634優勢和特點
-
高增益: 12 dB
-
高P1dB: +19 dBm
-
電源電壓: +4V
-
50 Ω匹配輸入/輸出
-
裸片尺寸:
2.57 x 1.70 x 0.05 mm
HMC-APH634結構圖
