HMC-AUH318/HMC-AUH318-SX高新動態條件的三級分銷中低檔公率圖像放大器電路 ADI現貨交易
發布(bu)消(xiao)息時(shi)間段:2018-06-26 16:01:41 看(kan):7588
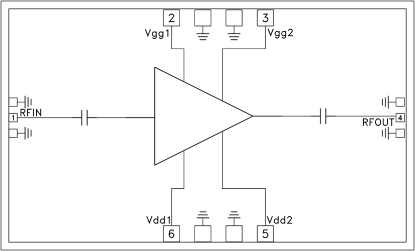
HMC-AUH318是一種款高動態圖範圍的三級GaAs HEMT MMIC中上的工作電壓電流擴大器,在71至76 GHz的幾率下的工作。 HMCAUH318能提供了24 dB的增益值,在1 dB縮減點能提供了+17.5 dBm的內容輸出的工作電壓電流,食用+4V電電壓電流。 每個焊盤和集成塊后邊都經由Ti/Au不銹鋼化。 HMC-AUH318 GaAs HEMT MMIC中上的工作電壓電流擴大器可兼容常見的集成塊貼裝方式,及及熱縮減和熱超聲檢查線焊,是合適MCM和混合法微線路軟件。 此地屏幕上顯示的每個數據資料均是集成塊在50 Ohm環保下食用RF感應器沾染測是。
|
品牌
|
型號
|
描述
|
貨期
|
庫存
|
|
ADI
|
HMC-AUH318
HMC-AUH318-SX
|
中等功率放大器芯片,71 - 76 GHz
|
現貨
|
267
|
HMC-AUH318應用(yong)
HMC-AUH318優勢和特點
-
增益: 24 dB
-
P1dB: +17.5 dBm
-
電源電壓: +4V
-
50 Ω匹配輸入/輸出
-
裸片尺寸:
2.65 x 1.60 x 0.05 mm
HMC-AUH318結構圖
