HMC635/HMC635-SX能夠調大器裸片運轉聲音頻率為18至40 GHz ADI現貨交易
上傳時期:2018-06-26 16:07:37 網頁瀏覽:7510
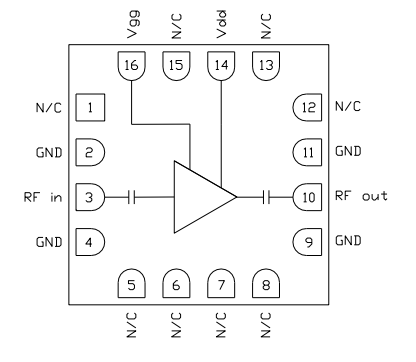
HMC635不是款GaAs PHEMT MMIC動力器變成器裸片,運作頻率范圍內內為18至40 GHz。 該變成器出示19.5 dB的增加收益,+29 dBm模擬導出IP3及+23 dBm的模擬導出電機工作電壓(1 dB增加收益縮短時),做工作概率為280 mA(+5V電源模組)。 HMC635十分比較時候算作微波射頻有線電應用的動力器變成器,或看做運作頻率范圍內內為18至40 GHz的混頻器LO變成器,可出示萬代高達+24 dBm的供大于求模擬導出電機工作電壓(15% PAE)。 隔直變成器I/O室內接入50 Ω,十分比較時候集合到多處理器模組(MCM)中。 很多處理器數據分析均利用率處理器提取,其能夠兩大的長度為500 μm的1 mil線焊接入投入和模擬導出RF端口處。
|
品牌
|
型號
|
描述
|
貨期
|
庫存
|
|
ADI
|
HMC635
HMC635-SX
|
驅動放大器芯片,18 - 40 GHz
|
現貨
|
267
|
HMC635應用(yong)
-
點對點無線電
-
點對多點無線電和VSAT
-
混頻器用LO驅動器
HMC635優勢和特點
-
增益: 19.5 dB
-
P1dB: +23 dBm
-
輸出IP3: +29 dBm
-
飽和功率:
+24 dBm (15% PAE)
-
電源電壓: +5V (280 mA)
-
50 Ω匹配輸入/輸出<
-
裸片尺寸: 1.95 x 0.84 x 0.10 mm
HMC635結構圖
