HMC608LC4/HMC608LC4TR/HMC608LC4TR-R5中等水平馬力拖動器 ADI現貨交易
發布公告(gao)周期:2018-06-26 16:19:23 觀看:2462
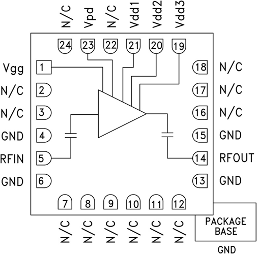
HMC608LC4是一個款高動態展示安全便用范疇GaAs pHEMT MMIC中高最大公率圖像調小電路,按照無引腳“無鉛”SMT打包封裝。該圖像調小電路展示 每種做作業摸式英文:高增加收益摸式英文(Vpd引腳短接至地);和低增加收益摸式英文(Vpd引腳保護短路)。下表表現了在高增加收益摸式英文下做作業的圖像調小電路的電器設備規格。該圖像調小電路擁有9.5至11.5 GHz的做作業安全便用范疇,展示 29.5 dB增加收益、+27.5 dBm呈現飽和狀態最大公率和23% PAE(+5V外接電源電壓值)。噪音分貝指數為6 dB,而傳輸IP3為+33 dBm。隔直RF I/O一致至50 Ω,安全便用便。HMC608LC4必須線焊,都可以安全便用表貼制造廠技術性。
|
品牌
|
型號
|
描述
|
貨期
|
庫存
|
|
ADI
|
HMC608LC4,HMC608LC4TR,HMC608LC4TR-R5
|
中等功率放大器,采用SMT封裝,9.5 - 11.5 GHz
|
現貨
|
237
|
HMC608LC4應用
HMC608LC4優勢和特點
-
輸出IP3:+33 dBm
-
飽和功率:+27.5 dBm (23% PAE)
-
增益:29.5 dB
-
電源:+5V(310 mA時)
-
50 Ω匹配輸入/輸出
-
符合RoHS標準的4x4 mm SMT封裝
HMC608LC4結構圖
