HMC-ABH241/HMC-ABH241-SX3級GaAs HEMT MMIC適中電率調小器 ADI期貨
分(fen)享精力:2018-06-26 16:30:49 搜素(su):2435
THMC-ABH241都是款四個維度GaAs HEMT MMIC中上電率圖像調小電路,事業頻段標準為50至66 GHz。 HMC-ABH241具備24 dB增加收益,選用+5V主機電源電阻值時兼備+17 dBm轉換電率(1dB解壓縮)。 全部焊盤和IC芯片表面都經Ti/Au重金屬化,圖像調小電路已充分鈍化以確保牢靠的操作。
HMC-ABH241 GaAs HEMT MMIC適中熱效率縮放器兼容老式的IC集成塊貼裝手段,各類熱進行壓縮和熱多普勒彩超線焊接工藝藝,相對適宜MCM和混微電路系統便用。 彼處呈現的每個數劇均是IC集成塊在50 Ω大環境下便用RF攝像頭打交道精確測量。
|
品牌
|
型號
|
描述
|
貨期
|
庫存
|
|
ADI
|
HMC-ABH241
HMC-ABH241-SX
|
中等功率放大器芯片,50 - 66 GHz
|
現貨
|
249
|
THMC-ABH241應(ying)用
THMC-ABH241優勢和特點
-
輸出IP3: +25 dBm
-
P1dB: +17 dBm
-
增益: 24 dB
-
電源電壓: +5V
-
50 Ω匹配輸入/輸出
-
裸片尺寸: 3.2 x 1.42 x 0.1 mm
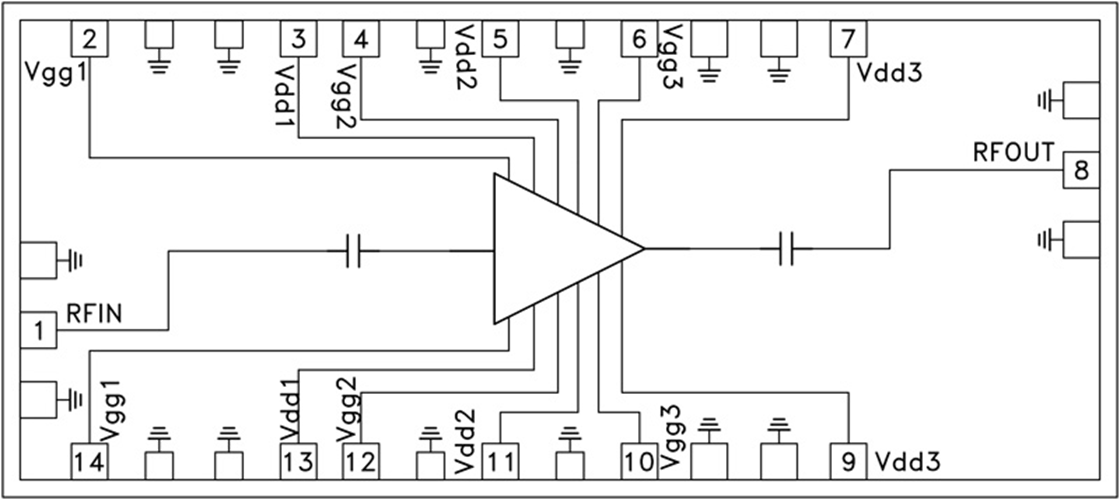
THMC-ABH241結構圖
