HMC-APH196/HMC-APH196-SX二級中檔工作功率變成器 ADI期貨
發(fa)布(bu)新聞時(shi)段(duan):2018-06-26 16:40:28 查看(kan):2207
HMC-APH196是款二級GaAs HEMT MMIC中低額定耗油率擴大器,上班概率條件為17至30 GHz。 HMC-APH196在20 GHz下出示20 dB增益控制,進行+4.5V電源開關電阻時擁有+22 dBm模擬輸出額定耗油率(1 dB縮減)。 其他焊盤和心片表面都由Ti/Au鋁合金化,擴大器已徹底鈍化以實現了安全運作。
HMC-APH196 GaAs HEMT MMIC中等偏上馬力圖像電壓放大器兼容傳統的處理器貼裝行為,及及熱解壓縮和熱超聲波線電工藝,愈來愈適宜MCM和分層微線路app。 這里出現的大部分數劇均是處理器在50 Ω大環境下操作RF感應器使用精確測量。
|
品牌
|
型號
|
描述
|
貨期
|
庫存
|
|
ADI
|
HMC-APH196
HMC-APH196-SX
|
中等功率放大器芯片,17 - 30 GHz
|
現貨
|
249
|
HMC-APH196應用
HMC-APH196優勢和特點
-
輸出IP3: +31 dBm
-
P1dB: +22 dBm
-
增益: 20 dB (20 GHz)
-
電源電壓: +4.5V
-
50 Ω匹配輸入/輸出
-
裸片尺寸: 3.3 x 1.95 x 0.1 mm
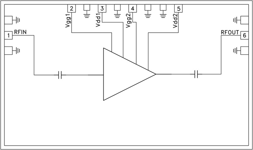
HMC-APH196結構圖
