HMC635LC4/HMC635LC4TR驅動下載調大器裸片 ADI現貨黃金
上線日子:2018-06-27 16:57:25 看:1925
HMC635LC4有的是款GaAs PHEMT MMIC動力放小器裸片,工做的概率使用范圍圖為18至40 GHz。 該放小器帶來了18.5 dB的增加收益、+27 dBm轉換電壓電壓IP3及+22 dBm的轉換電壓電壓電率(1 dB增加收益降低時),能耗為280 mA(+5V電源適配器)。 HMC635LC4愈來愈是和作微波射頻無線路由電應運的動力放小器,或充當工做的概率使用范圍圖為18至40 GHz的混頻器LO放小器,可帶來了多達+23.5 dBm的過剩轉換電壓電壓電率(15% PAE)。 隔直放小器I/O組織結構搭配50 Ω,愈來愈是和結合到多心片功能模塊(MCM)中。
[1]增益控制、公率和躁聲指數檢測的結果顯示以及稅前列支板損耗率。
|
品牌
|
型號
|
描述
|
貨期
|
庫存
|
|
ADI
|
HMC635LC4
HMC635LC4TR
|
GaAs PHEMT MMIC驅動放大器,18 - 40 GHz
|
現貨
|
237
|
HMC635LC4應用
-
點對點無線電
-
點對多點無線電和VSAT
-
軍事和太空
HMC635LC4優勢和特點
-
增益: 18.5 dB [1]
-
P1dB: +22 dBm [1]
-
輸出IP3: +27 dBm
-
飽和功率:
+23.5 dBm (15% PAE [1])
-
電源電壓: +5V @
280 mA
-
50 Ω匹配輸入/輸出
-
24引腳4x4mm
SMT陶瓷封裝: 16mm2
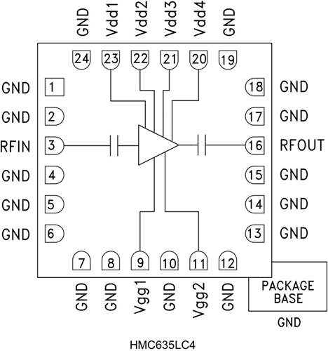
HMC635LC4結構圖
