HMC-APH403/HMC-APH403-SX三級視頻MMIC中檔電機功率放小器 ADI外盤
發表日期:2018-06-27 17:15:29 瀏覽網頁:7031
HMC-APH403不是款一級GaAs HEMT MMIC中級輸出的工作功率放小器,工作中頻帶寬度時間范圍為37至45 GHz。 HMC-APH403出示21 dB增加收益,用+5V額定電壓額定電壓時具有著+23 dBm輸出的輸出的工作功率(1 dB收縮)。 全部的焊盤和集成塊后邊都途經Ti/Au廢金屬化,放小器已壓根鈍化以滿足靠譜運行。
HMC-APH403 GaAs HEMT MMIC中上耗油率拖動器兼容傳統與現代的集成電路原理集成ic貼裝方式方法,與熱收縮和熱超聲檢查線焊接藝,特別比較合適MCM和結合微電路原理軟件應用。 在這兒顯現的其他數據報告均是集成電路原理集成ic在50 Ω環鏡下采用RF攝像頭交往測定。
|
品牌
|
型號
|
描述
|
貨期
|
庫存
|
|
ADI
|
HMC-APH403
HMC-APH403-SX
|
中等功率放大器芯片,37 - 45 GHz
|
現貨
|
226
|
軟件
HMC-APH403優勢和特點
-
輸出IP3: +32 dBm
-
P1dB: +23 dBm
-
增益: 21 dB
-
電源電壓: +5V
-
50 Ω匹配輸入/輸出
-
裸片尺寸: 2.76 x 1.03 x 0.1 mm
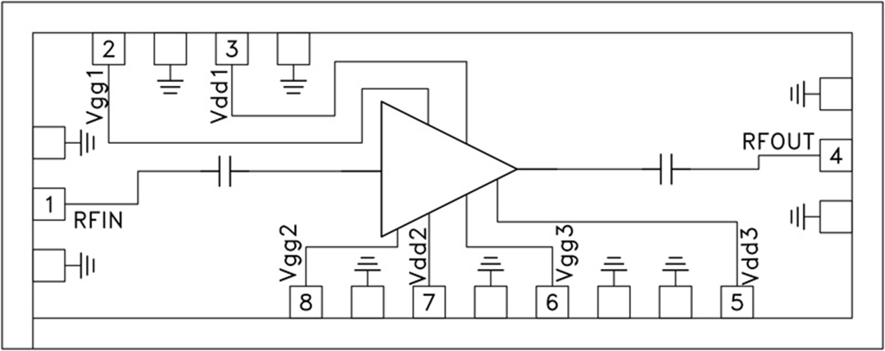
HMC-APH403結構圖
