行業中房產資訊
公布時(shi):2019-12-20 15:02:38 瀏覽訪問:2402
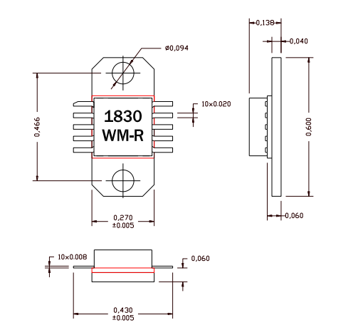
AM183031WM-EM-R是(shi)AMCOM的砷化鎵(jia)MMIC功效調大器款型的是一很多。它有30.5噪音分貝的收獲合在1.6到3.3GHz頻寬上的31.5dBm讀取最大功率。該MMIC有的是個衛浴陶瓷芯片封裝類型,具頻射和交流電引線在較低層次結構的芯片封裝類型,以利于低生產成本的SMT裝配到PC板。當真接裝設到印刷制版集成運放板,請參照操作說明書怎么寫AN700。猶豫高直流電功耗測試,你們意見與建議將他們機真接怎么安裝在合金材料導熱器上。AM183031WM-EM不是個直引線的插入圖式封口。AM183031WM-FM-R是按裝在燙金銅法蘭部底托上的AM183031WM-BM-R。有法蘭部上兩個人螺孔,于擰到合金金屬,散熱處理器上。該MMIC是達到RoHS的。

AM183031WM-EM-R本質特征
從(cong)1.7到3.5GHz的帶(dai)寬(kuan)
高打出(chu)工作效率,P1dB=31.5dBm
高增加收益,30.5dB
基本切換;50歐姆設(she)置/打印輸(shu)出阻抗匹配
AM183031WM-EM-R采(cai)用
無線(xian)wifi車(che)聯機(ji)和接入
手機無線本地(di)網(wang)環路
MMDS
AM183031WM-EM-R極為重要指標
頻段(duan):1.6-3.3GHz
增益值:31.5
P1dB(DBM):31.5
PSAT(DBM):32.5
錯誤率:25
VD(V):8
東莞 市(shi)立維(wei)創展信(xin)息技術是(shi)AMCOM單位總加(jia)盟,其還有(you)徽(hui)波(bo)寬帶(dai)(dai)(dai)網的產品還有(you)rf射(she)頻納米線管、MMIC功(gong)效調(diao)(diao)大器(qi)、搭配調(diao)(diao)大器(qi)摸塊、光(guang)纖(xian)寬帶(dai)(dai)(dai)調(diao)(diao)大器(qi)、高功(gong)效調(diao)(diao)大器(qi)摸塊、帶(dai)(dai)(dai)RF和DC連接方(fang)式器的高電(dian)公(gong)率放縮器方(fang)案和低嘈音放縮器,電(dian)公(gong)率放縮器,開關按(an)鈕,衰減器,移(yi)相器及其(qi)上(shang)/接下來軟啟動器(qi)的設(she)計(ji)。