行業領域信息資訊
上線周期:2019-12-20 15:13:37 打(da)開網頁:1810
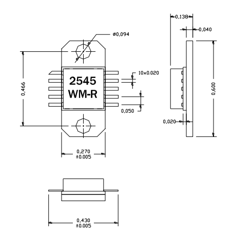
AM254540WM-EM-R是(shi)AMCOM的(de)(de)砷(shen)化鎵HiFET MMIC功(gong)率(lv)放大(da)器(qi)系列(lie)的(de)(de)一部分。這么高效率(lv)MMIC是(shi)一個2級(ji)GaAs-pHEMT功(gong)率(lv)放大(da)器(qi),偏(pian)置電壓為10~13V。輸(shu)入和級(ji)間(jian)匹(pi)配(pei)網絡覆蓋2.5到(dao)4.5GHz。這個MMIC需(xu)要輸(shu)出(chu)(chu)外部匹(pi)配(pei)到(dao)您感興(xing)趣的(de)(de)波(bo)段之間(jian)2.5GHz至4.5GHz提供最(zui)大(da)帶寬靈活性。例如,一個可(ke)用的(de)(de)評估委員會在(zai)12V的(de)(de)3.4到(dao)3.6GHz頻帶上(shang)(shang)具有(you)超過17dB的(de)(de)增益、10瓦(40dBm)的(de)(de)飽和輸(shu)出(chu)(chu)功(gong)率(lv)。該(gai)MMIC是(shi)一個陶(tao)瓷封(feng)(feng)裝,在(zai)較低的(de)(de)封(feng)(feng)裝層次(ci)上(shang)(shang)有(you)射頻和直(zhi)(zhi)流(liu)引線(xian),以便于(yu)低成本SMT組(zu)件(jian)到(dao)PC板(ban)。當直(zhi)(zhi)接(jie)安(an)裝到(dao)印刷電路板(ban)上(shang)(shang)時,請參閱應用說明AN700。由于(yu)高直(zhi)(zhi)流(liu)功(gong)耗(hao),我(wo)們強烈建議將這些設(she)備直(zhi)(zhi)接(jie)安(an)裝在(zai)金(jin)(jin)屬散熱(re)(re)片上(shang)(shang)。AM254540WM-FM-R是(shi)安(an)裝在(zai)鍍金(jin)(jin)銅(tong)法蘭托架上(shang)(shang)的(de)(de)AM254540WM-BM-R。新興(xing)市場封(feng)(feng)裝與FM封(feng)(feng)裝具有(you)相同的(de)(de)占地面積,采(cai)用直(zhi)(zhi)引線(xian)和銅(tong)/鎢法蘭代(dai)替銅(tong)法蘭。法蘭上(shang)(shang)有(you)兩個螺孔,便于(yu)擰到(dao)金(jin)(jin)屬散熱(re)(re)器(qi)上(shang)(shang)。這個MMIC是(shi)符合RoHS。

AM254540WM-EM-R本質特征
頻次采用從2.5到4.5GHz
高(gao)輸出精度電率,P1dB=38dBm
高(gao)收獲>17dB
從(cong)2.5到4.5GHz自動(dong)匹(pi)配的輸人
高效性>35%
AM254540WM-EM-R應用(yong)領(ling)域
WiMAX公司
MMDS
無線網的局域網中繼器
12VAPP
AM254540WM-EM-R極為重要(yao)性能指標
規律:2.5-4.5GHz
增(zeng)加收益:17
P1dB(DBM):38
PSAT(DBM):39
能(neng)力(li):35
VD(V):12
成(cheng)都(dou)市立維創展(zhan)創新科(ke)技(ji)是AMCOM集團公司總代銷商,其首要微波(bo)加熱寬帶網絡品(pin)牌(pai)包擴微波(bo)射(she)頻晶狀體管、MMIC功(gong)效(xiao)(xiao)縮(suo)放器、比(bi)調(diao)縮(suo)放器方案電(dian)源(yuan)、帶寬縮(suo)放器、高功(gong)效(xiao)(xiao)縮(suo)放器方案電(dian)源(yuan)、帶RF和(he)DC相連器的高效(xiao)率(lv)放縮(suo)(suo)器方案(an)和低噪音放縮(suo)(suo)器,效(xiao)率(lv)放縮(suo)(suo)器,啟閉,衰減器,移相器與上/底下(xia)變頻器的訂(ding)制。