該行業訊息
公(gong)布的時間段:2019-12-23 14:35:39 挑選:2181
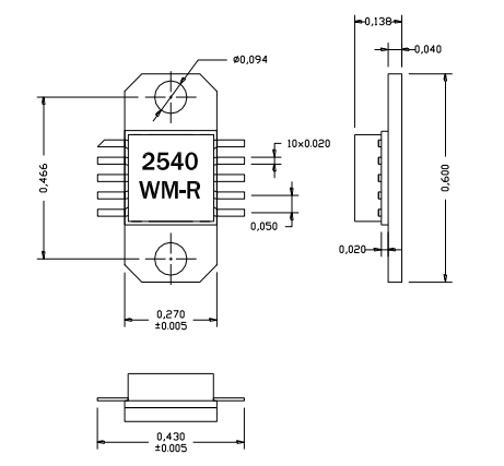
AM254038WM-EM-R是(shi)AMCOM的(de)砷化鎵HiFET MMIC功(gong)率(lv)(lv)放(fang)大(da)器系(xi)列(lie)的(de)一部(bu)分。這(zhe)是(shi)兩個階段GaAs-HIFET-PHEMT-MMIC功(gong)率(lv)(lv)放(fang)大(da)器。它與50歐姆的(de)輸(shu)入和輸(shu)出(chu)完全匹配(pei),覆蓋2.4到4.4赫茲。該MMIC具有(you)18dB的(de)增益(yi)和38dBm的(de)12V輸(shu)出(chu)功(gong)率(lv)(lv)射頻和直(zhi)流引(yin)線位于(yu)(yu)封(feng)裝(zhuang)(zhuang)的(de)較低層,以便于(yu)(yu)將低成本的(de)SMT組(zu)裝(zhuang)(zhuang)到PC板上(shang)(shang)(shang)。因為直(zhi)流電功(gong)率(lv)(lv)大(da)散熱,我們(men)強烈建議將這(zhe)些(xie)設備(bei)直(zhi)接安裝(zhuang)(zhuang)在金屬(shu)散熱片上(shang)(shang)(shang)。AM254038WM-FM-R型(xing)AM254038WM-BM-R是(shi)否安裝(zhuang)(zhuang)在鍍(du)金銅法(fa)(fa)蘭(lan)托(tuo)架上(shang)(shang)(shang)。EM包有(you)相同的(de)封(feng)裝(zhuang)(zhuang)為FM封(feng)裝(zhuang)(zhuang),采(cai)用直(zhi)引(yin)線和銅/鎢法(fa)(fa)蘭(lan)代替(ti)銅法(fa)(fa)蘭(lan)。在那里是(shi)法(fa)(fa)蘭(lan)上(shang)(shang)(shang)的(de)兩個螺孔,便于(yu)(yu)擰到金屬(shu)散熱器上(shang)(shang)(shang)。這(zhe)個MMIC是(shi)符(fu)合RoHS的(de)。

AM254038WM-EM-R技術應用
PCS移(yi)動基站
GPS運用(yong)
MMDS
有線的(de)局域網中(zhong)繼(ji)器(qi)
10V–13V運用
AM254038WM-EM-R重點(dian)指標
規律:2.5-4GHz
增加收益:18
P1dB(DBM):38
PSAT(DBM):39
的效率(lv):30
VD(V):12
鄭州市立維創展科技創新(xin)是(shi)AMCOM司總批發(fa)商,其大(da)部分徽波(bo)帶寬物料包涵(han)頻射氯化鈉晶(jing)體管、MMIC公(gong)率變大(da)器(qi)、相(xiang)混變大(da)器(qi)傳(chuan)感器(qi)、聯通寬帶變大(da)器(qi)、高公(gong)率變大(da)器(qi)傳(chuan)感器(qi)、帶RF和DC銜(xian)接器(qi)(qi)的高輸(shu)出輸(shu)出功(gong)率擴大(da)(da)器(qi)(qi)模組(zu)和(he)低環(huan)境噪聲擴大(da)(da)器(qi)(qi),輸(shu)出輸(shu)出功(gong)率擴大(da)(da)器(qi)(qi),旋鈕,衰減器(qi)(qi),移(yi)相器(qi)(qi)和(he)上/接下(xia)來(lai)直流伺(si)服驅動器的(de)環保定(ding)制(zhi)家具。