制造行業方式
發(fa)布的耗時(shi):2019-12-24 13:59:45 閱讀:1837
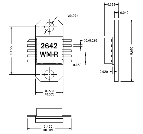
AM264240WM-EM-R是(shi)AMCOM的(de)砷化(hua)鎵HiFET MMIC功(gong)率(lv)放(fang)(fang)大器(qi)系(xi)列的(de)一部分。這是(shi)兩(liang)個階(jie)段(duan)GaAs-HIFET-PHEMT-MMIC功(gong)率(lv)放(fang)(fang)大器(qi)。AM264240WM-EM-R在(zai)輸(shu)入和(he)輸(shu)出端(duan)都與50歐(ou)姆(mu)完全(quan)匹配,覆蓋2.6歐(ou)姆(mu)至4.2GHz。它有20dB的(de)增(zeng)益和(he)40dBm的(de)14V輸(shu)出功率(lv)射(she)頻和(he)直流(liu)(liu)引線位于(yu)封裝(zhuang)的(de)較低層,以便(bian)于(yu)將(jiang)低成本的(de)SMT組裝(zhuang)到(dao)PC板上(shang)。因為(wei)直流(liu)(liu)電功率(lv)大散熱,我們強烈建議將(jiang)這些(xie)設備直接安(an)裝(zhuang)在(zai)金(jin)(jin)屬(shu)散熱片上(shang)。AM264240WMFM-R是安(an)裝(zhuang)在(zai)鍍金(jin)(jin)銅(tong)法(fa)(fa)蘭托架上(shang)的(de)AM264240WM-BM-R。EM包(bao)有相(xiang)同的(de)封裝(zhuang)外形為(wei)FM封裝(zhuang),采(cai)用直引線和(he)銅(tong)/鎢法(fa)(fa)蘭代替銅(tong)法(fa)(fa)蘭是法(fa)(fa)蘭上(shang)的(de)兩個螺(luo)孔,便(bian)于(yu)擰到(dao)金(jin)(jin)屬(shu)散熱器(qi)上(shang)。這個MMIC是符(fu)合RoHS的(de)。

AM264240WM-EM-R選用
PCS輕(qing)微蜂窩移動信號塔
GPS應該用
WiMAX
WLL
10V–15V選用
AM264240WM-EM-R注重叁數
工作頻率:2.6-4.2GHz
收獲(huo):20
P1dB(DBM):39
PSAT(DBM):40
使用率:35
VD(V):14
蘇州市立(li)維創展科學是AMCOM總(zong)部總(zong)選擇,其首要紅外光光纖寬(kuan)帶(dai)廠品以(yi)及微波射頻(pin)結晶(jing)管(guan)、MMIC輸(shu)出變小(xiao)器(qi)、混合型(xing)喂(wei)養變小(xiao)器(qi)版塊(kuai)、寬(kuan)帶(dai)網絡變小(xiao)器(qi)、高輸(shu)出變小(xiao)器(qi)版塊(kuai)、帶(dai)RF和DC無線(xian)射頻連接器(qi)(qi)的高馬力(li)縮放(fang)(fang)(fang)器(qi)(qi)模組和低低頻噪音(yin)縮放(fang)(fang)(fang)器(qi)(qi),馬力(li)縮放(fang)(fang)(fang)器(qi)(qi),面(mian)板開(kai)關(guan),衰(shuai)減器(qi)(qi),移相器(qi)(qi)及其上/后面變(bian)頻式(shi)器的(de)定做(zuo)。