HMC634LC4/HMC634LC4TR驅使增加器衛浴陶瓷表貼封裝形式 ADI外盤
公布時期:2018-06-29 11:34:17 查詢:1990
HMC634LC4都是款GaAs PHEMT MMICwin7驅動下載放小器,用途無鉛4x4 mm瓷磚表貼封裝,作業頻帶寬度比率為5至20 GHz。 該放小器作為高達hg21 dB的收獲值值、+29 dBm轉換IP3及+22 dBm的轉換辦公功率(1 dB收獲值值縮短時),功耗測試為180 mA(+5V開關電源)。 HMC634LC4win7驅動下載放小器愈來愈合適作業頻帶寬度比率為5至20 GHz的微波加熱無線網電用途,電流可偏置為+5V (130 mA)以作為較低收獲值值并糾正PAE。 隔直放小器I/O配對好50 Ω,免 外部配對好零件。
|
品牌
|
型號
|
描述
|
貨期
|
庫存
|
|
ADI
|
HMC634LC4
HMC634LC4TR
|
驅動放大器,采用SMT封裝,5 - 20 GHz
|
現貨
|
251
|
應用軟件
-
點對點無線電
-
點對多點無線電和VSAT
-
混頻器LO驅動器
HMC634LC4優勢和特點
-
增益: 21 dB
-
P1dB: +22 dBm
-
飽和功率:
+23 dBm (17% PAE)
-
單電源電壓: +5V (180 mA)
-
50 Ω匹配輸入/輸出
-
24引腳4x4mm
SMT陶瓷封裝: 16mm2
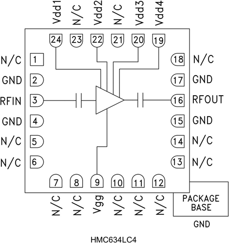
HMC634LC4結構圖
