業內方式
發布(bu)新聞的時(shi)間:2018-07-05 10:41:08 閱覽:2529
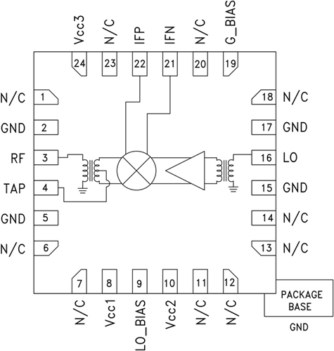
HMC786LP4E是一款集成LO放大器的高動態范圍無源MMIC混頻(pin)器,采用4x4 SMT QFN封裝,工(gong)作頻(pin)率(lv)范(fan)圍為0.7至1.1 GHz。 LO驅動為0 dBm時,3G和4G GSM/CDMA應用具有(you)+40 dBm的出色輸(shu)(shu)入(ru)IP3下變(bian)頻(pin)性能。 采用1dB (+25 dBm)輸(shu)(shu)入(ru)壓縮時,RF端(duan)(duan)口支(zhi)持各(ge)種輸(shu)(shu)入(ru)信號電平。 轉換損耗為7.5 dB(典(dian)型值(zhi))。 高達(da)250 MHz的IF頻(pin)率(lv)響應可滿足GSM/CDMA發射或接收頻(pin)率(lv)計(ji)劃要求。 立(li)維創展HMC786LP4E針對0.7 - 1.1 GHz RF頻(pin)段(duan)高端(duan)(duan)LO頻(pin)率(lv)計(ji)劃進行了優化,并與HMC686LP4E引腳兼容。
| 品牌 | 型號 | 描述 | 貨期 | 庫存 |
| ADI |
HMC786LP4E HMC786LP4ETR |
集成LO放大器的BiCMOS混頻器,0.7 - 1.1 GHz | 現貨 | 105 |
HMC786LP4E應用
HMC786LP4E優勢和特點
