HMC666LP4E/HMC666LP4ETR高動態展示的范圍無源MMIC混頻器 ADI外盤
上(shang)架期限:2018-07-05 10:48:57 看:7374
HMC666LP4(E)也是款高動態數據條件無源MMIC混頻器,ibmsLO增加器,采用了4x4 SMT QFN封口,運行速率為3.1 - 3.9 GHz。 該功率器件對于WiMAX和固定不動無限操作可以提供+31 dBm的好品質放入IP3穩定性以實現下變頻式,LO帶動為0 dBm。 LO串口對于中低端LO操作優化提升。
RF串口的發送1 dB減少為+23 dBm,可幫助寬超范圍發送表現電平。 轉化衰減經典值一般選擇9 dB。 該電子元器件的DC至800 MHz IF速率出錯能充分滿足WiMAX使用或發收速率方案請求。 立維創展HMC666LP4(E)與HMC688LP4(E)引腳兼容,二者都是款2.0 - 2.7 GHz混頻器,集成型LO擴大器。
|
品牌
|
型號
|
描述
|
貨期
|
庫存
|
|
ADI
|
HMC666LP4E
HMC666LP4ETR
|
集成LO放大器的SMT BiCMOS混頻器,3.1 - 3.9 GHz
|
現貨
|
235
|
軟件應用
-
WiMAX/4G與固定無線
-
基礎設施與中繼器
-
發射機與接收機
-
測試和測量設備
HMC666LP4E優勢和特點
-
高輸入IP3: +31 dBm
-
低轉換損耗: 9 dB
-
低LO驅動: 0 dBm
-
上變頻與下變頻應用
-
針對低端LO輸入優化
-
24引腳、4x4mm SMT封裝: 16mm2
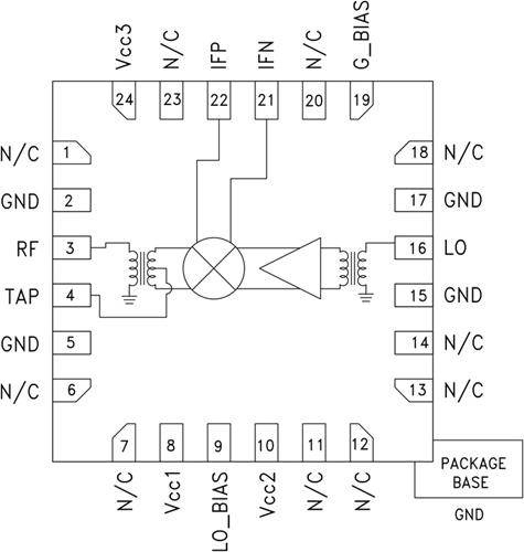
HMC666LP4E結構圖
