這個行業知識
推送日期:2018-07-05 10:57:04 閱讀:2474
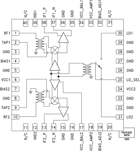
HMC682LP6C(E)是(shi)一款(kuan)高線(xian)性度、雙通道下變(bian)頻(pin)(pin)器,集成LO放大器,采用6x6 SMT QFN封裝,工作頻(pin)(pin)率為1.7 - 2.2 GHz。 該器件針對3G和(he)4G GSM/CDMA應用提供+25 dBm的出色(se)輸入IP3性能(neng)以進(jin)行下變(bian)頻(pin)(pin),LO驅動為0 dBm。立(li)維創展 HMC682LP6C(E)RF端口的輸入1 dB壓縮為+15 dBm,可支持寬范圍輸入信號(hao)電平(ping)。 轉換(huan)增益典(dian)型值為6 dB。 60 - 400 MHz IF頻(pin)(pin)率響應滿足各種GSM/CDMA接收頻(pin)(pin)率規劃要求。
| 品牌 | 型號 | 描述 | 貨期 | 庫存 |
| ADI |
HMC682LP6CE HMC682LP6CETR |
高IP3雙通道下變頻器,采用SMT封裝,集成LO開關 ,1.7 - 2.2 GHz |
現貨 | 258 |
HMC682LP6CE使用(yong)
HMC682LP6CE優勢和特點
