互聯網行業快訊
分享時段:2018-07-05 11:08:07 查詢:1977
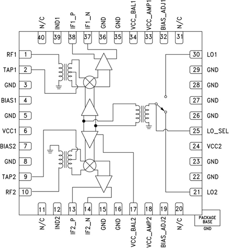
HMC683LP6C(E)是一款高線性(xing)度、雙通道下變(bian)頻器(qi),集成LO放大器(qi),采(cai)用6x6 SMT QFN封裝,工(gong)作頻率(lv)為0.7 - 1.0 GHz。 LO驅(qu)動為0 dBm時,3G和4G GSM/CDMA應用可以獲(huo)得+23 dBm的出色輸入(ru)IP3下變(bian)頻性(xing)能。 采(cai)用1 dB (+11 dBm)壓縮時,RF端(duan)口支(zhi)持各(ge)種輸入(ru)信(xin)號電平。立維(wei)創展(zhan)HMC683LP6C 轉換增(zeng)益典型值為7.5 dB。 60 - 500 MHz的IF頻率(lv)響(xiang)應能夠滿足各(ge)種GSM/CDMA接收頻率(lv)規劃要(yao)求。
| 品牌 | 型號 | 描述 | 貨期 | 庫存 |
| ADI |
HMC683LP6CE HMC683LP6CETR |
高IP3雙通道下變頻器SMT,集成LO開關,0.7 - 1.0 GHz | 現貨 | 223 |
HMC683LP6CE廣泛(fan)應用
HMC683LP6CE優勢和特點
HMC683LP6CE結構圖
