服務業訊息
正式發布事件:2020-04-28 10:14:31 瀏覽(lan)器:1693
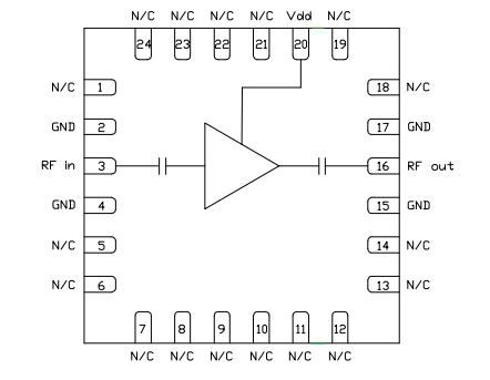
CMD309P4不是款帶寬MMIC低嘈音放縮器,適用無引線4x4亳米朔料表面層貼裝封裝。CMD309P4非常的時候徽波CD機還有須要高增益值、低噪音污染和低能耗的C和X股票波段用途。網絡帶寬機器可以提供27音貝增益值,相對應的輸出1dB壓解點為+13聲音分貝,噪音分貝數值為1.5聲貝。CMD309P4選取50歐姆配備設計,就不需要其他直流電壓控制模塊和微波射頻服務器端口配備。

CMD309P4 共同(tong)點
低噪音污染彈性系數
高增(zeng)益值(zhi)帶(dai)寬性(xing)能方面
低電流大(da)小需要量
單正(zheng)偏壓
無鉛RoHs兼容4x4 QFN封(feng)裝(zhuang)類型
南京市立維創展是(shi)MMIC的(de)(de)(de)代里售(shou)銷,關(guan)鍵售(shou)銷MMIC產(chan)品的(de)(de)(de)低噪聲放(fang)(fang)縮(suo)器(qi)(qi)、驅(qu)動安裝放(fang)(fang)縮(suo)器(qi)(qi)、工率(lv)放(fang)(fang)縮(suo)器(qi)(qi)、低相位(wei)噪聲放(fang)(fang)縮(suo)器(qi)(qi)、寬比率(lv)勻稱式(shi)放(fang)(fang)縮(suo)器(qi)(qi),CUSTOM MMIC幫(bang)助您(nin)選用同(tong)一種中最(zui)佳的(de)(de)(de)MMIC優化網絡您(nin)的(de)(de)(de)徽波手(shou)機信號鏈。CUSTOM MMIC是(shi)一種個詳盡的(de)(de)(de)ISO認證服務(wu)設(she)計和同(tong)類型最(zui)好(hao)MMIC產(chan)生商。CUSTOM MMIC出示加快漲幅的(de)(de)(de)高的(de)(de)(de)性能(neng)rf射頻/微波加熱(re)MMIC好(hao)產(chan)品產(chan)品。
立維(wei)創(chuang)增添有200只CMD264P3原放進(jin)口的機(ji)現貨平臺,質理切實保(bao)障,原放進(jin)口的機(ji)進(jin)口的,感謝(xie)詢問。