HMC713LP3ETR/HMC713LP3E多數檢波器/設定器 ADI外盤
發表精力(li):2018-07-09 12:01:46 訪問(wen) :6927
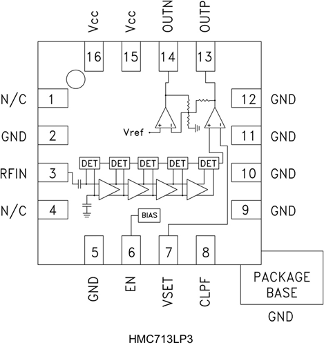
HMC713LP3E常用對數計算檢波器/控住器非常的適當將RF數據(50 MHz至8000 MHz速率領域內)的功效在效果端變為成為與錄入功效相等的直流電流電流。 HMC713LP3E采用了反復文件壓縮技術設備,可在寬錄入速率領域內提高體現了高預估高精度的54 dB動態化領域。 隨著時間推移錄入數據增強,反復調小器漸漸進去趨于穩定,而使變為成準確的常用對數計算指數函數類似值。 一全系列檢波器效果求和、變為成成電流域并抗震推動OUTP效果。
若您有其它疑義,請聯絡我門立維創展,我門會盡明顯認真為您業務。
在加測方法下,OUTP引腳對接到VSET導入,保證17 mV/dB標稱多數斜率和-68 dBm截距。
HMC713LP3E也能夠在操縱器形式下食用,在該形式下向VSET引腳施用外直流電壓以構建AGC或APC反饋建議環路。
|
品牌
|
型號
|
描述
|
貨期
|
庫存
|
|
ADI
|
HMC713LP3ETR
HMC713LP3E
|
54 dB對數檢波器/控制器,采用SMT封裝,50 - 8000 MHz
|
現貨
|
170
|
HMC713LP3ETR操作(zuo)
-
蜂窩基礎設施
-
WiMAX, WiBro和amp; LTE/4G
-
電源監控和控制電路
-
接收機信號強度指示(RSSI)
-
蜂窩基礎設施
-
自動增益和功率控制
HMC713LP3ETR優勢和特點
-
寬動態范圍: 高達54 dB
-
高精度: ±1 dB (54 dB)
范圍高達2.7 GHz
-
快速輸出響應時間
-
電源電壓: +2.7至+5.5V
-
省電模式
-
出色的溫度穩定性
-
16引腳3x3 mm SMT封裝: 9mm2
HMC713LP3ETR結構圖
