HMC322ALP4E/HMC322ALP4ETR寬帶網非光反射SP8T電源開關 ADI期貨
發布(bu)公告日子:2018-07-10 15:03:37 瀏覽訪問:1994
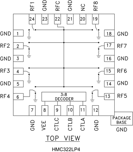
HMC322ALP4E是一個款寬帶網絡非條件反射GaAs MESFET SP8T面板按鈕電打開,用以低價格無引腳表貼打包封裝。 該面板按鈕電打開頻帶寬度范圍圖為DC至8 GHz,有著高防曬隔離霜和低插入圖消耗。 該面板按鈕電打開還集都是片內二進制解密電源電路,將需用邏輯性調整線減至3條。 該面板按鈕電打開用以0/-5V負調整電阻值事業,需用固定住偏置為-5V。 該面板按鈕電打開適宜于50歐姆或75歐姆操作系統。若您有很多凝問,請找話題他們大家立維創展,他們大家會盡明顯的努力為您服務。
|
品牌
|
型號
|
描述
|
貨期
|
庫存
|
|
ADI
|
HMC322ALP4E
HMC322ALP4ETR
|
GaAs MMIC SP8T非反射式開關,DC - 8 GHz
|
現貨
|
186
|
HMC322ALP4E選用
該觸點開關適用做于DC - 8.0 GHz 50歐姆或75歐姆系統:
-
寬帶
-
光纖產品
-
開關濾波器組
-
低于8 GHz的無線應用
HMC322ALP4E優勢和特點
-
寬帶性能: DC - 8.0 GHz
-
高隔離度: >30 dB@ 6 GHz
-
低插入損耗: 2.4 dB@ 6 GHz
-
集成式3:8 TTL解碼器
-
24引腳4x4mm QFN封裝: 9 mm2
HMC322ALP4E結構圖
