職業資訊新聞
公布的時候(hou):2024-06-28 08:56:30 瀏覽網(wang)頁:5995
FCTS1000-100-5是Synergy出品的一(yi)款(kuan)低噪(zao)聲(sheng)鎖相(xiang)振蕩器(PLL Oscillator),專為需要(yao)高穩定性(xing)和(he)低相(xiang)位(wei)噪(zao)聲(sheng)的無線通(tong)信、雷達系統(tong)以(yi)及各(ge)類測試設(she)備設(she)計(ji)。該型(xing)號(hao)采(cai)用了先進(jin)的PLL(相(xiang)位(wei)鎖定環(huan))技術,能夠提供固定頻率1000 MHz的穩定輸出,同時具(ju)備優良(liang)的相(xiang)位(wei)噪(zao)聲(sheng)性(xing)能。

主要規格參數
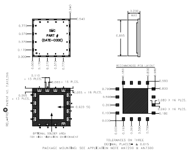
頻點:固定好頻點1000 MHz。 可以參考讀取聲音頻率:100 MHz。 基準投入直流的電壓:認可1.0至3.3 Vp-p的直流的電壓規模。電源電壓:
大字母用電線路板(+5V):為CMOS鎖相環和大字母方法論用電線路板展示 相對穩定的電原。 調諧電源線路(+12V):于把握振動器的輸入工作頻率。 VCO集成運放(+5.5V):作為給壓控自激振蕩器(VCO)的交流電源電流值。 導出公率:較大數值為-3 dBm,衡量了一定的數據信息剛度。 雜散調節:典范臨界值80 dB,有用變低了不需用的工作頻率組分。 諧波治理和改善:一般值一般選擇25 dB,限制了諧波圖像對系統化的干憂。相位噪聲:
@ 100 Hz:主要表現數值為-80 dBc/Hz。 @ 1 kHz:常見數值為-115 dBc/Hz。 @ 10 kHz:典型的指標值-141 dBc/Hz。 @ 100 kHz:典型示范數值-158 dBc/Hz。 運作溫暖範圍:-20°C至+70°C,衡量了較寬的溫暖融入性。 服務器端口安裝:可以提供了仔細的引腳安裝的信息,主要包括數值電源開關、參考選取搜索、頻射模擬輸出、更改測量等。武漢市立維創展新材料技術是Synergy的代理商商,重點(dian)展示 Synergy微波加熱壓控(kong)諧振器(qi)(qi)、單晶(jing)體諧振器(qi)(qi)、鎖(suo)相諧振器(qi)(qi)、鎖(suo)相環率提煉器(qi)(qi)、混頻(pin)器(qi)(qi)等產品(pin)(pin),產品(pin)(pin)是在澳大利亞(ya)東南部的隨時出入口,快(kuai)死機中(zhong)國(guo)國(guo)家企業客戶的訴求。歡(huan)迎辭(ci)咨詢服務。