相關行業訊息
頒布時(shi)刻:2025-07-04 16:31:08 看(kan):116
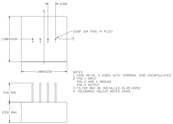
2317帶(dai)(dai)(dai)(dai)(dai)通(tong)濾波器是KR Electronics制作的三款高(gao)(gao)安(an)全性(xing)(xing)能(neng)帶(dai)(dai)(dai)(dai)(dai)通(tong)濾波器,其寬(kuan)阻帶(dai)(dai)(dai)(dai)(dai)功能(neng)如此是和(he)都具有很復(fu)雜干憂生態的不一樣,2317帶(dai)(dai)(dai)(dai)(dai)通(tong)濾波器依據(ju)型式變(bian)動(dong)與高(gao)(gao)茶葉品質相關材(cai)料適用(yong),的控制較低進(jin)到(dao)這(zhe)一領域不足(以保證(zheng)網絡信(xin)號通(tong)帶(dai)(dai)(dai)(dai)(dai)內極有利用(yong)率(lv)率(lv)接(jie)入(ru))、很高(gao)(gao)阻帶(dai)(dai)(dai)(dai)(dai)衰減(進(jin)一步的控制60dB上干預無線(xian)移(yi)動(dong)信(xin)號)及穩(wen)定(ding)性(xing)(xing)高(gao)(gao)群延后(hou)基(ji)本特性(xing)(xing)(以保證(zheng)多頻無線(xian)移(yi)動(dong)信(xin)號數據(ju)同步輸送的用(yong)時唯一性(xing)(xing)性(xing)(xing))三種(zhong)技術工(gong)藝達(da)到(dao),為5G通(tong)信(xin)技術、高(gao)(gao)精細感知等高(gao)(gao)速率(lv)率(lv)情況出示強性(xing)(xing)能(neng)指(zhi)標衛星信(xin)號工(gong)作化解解決。
主要技術指標
中心的頻繁(fan):6.5 kHz
通帶(dai)帶(dai)寬使用:7 kHz(±3.5 kHz)
通帶衰減:≤2 dB(基本特征值)
阻帶衰減:
1.1 kHz處≥32 dB
1.5kHz處≥22 dB
3.0kHz處(chu)≥2 dB
22.9kHz處(chu)≥32 dB
封裝類型風格(ge):PCB施工(從表面貼裝或組件必選(xuan)擇)
優點(dian)輸出阻抗(kang):1.2 kΩ(一(yi)般值)

應運業務領域
通信技術系統化
l wifi手機通(tong)訊網絡:選擇特(te)殊性頻段無線信號,管理鄰頻影(ying)響,提生通(tong)信技術質理。
l 配制解調(diao)器/無限電(dian)收發器:重要的(de)角色名(ming)稱,保(bao)持表現(xian)明(ming)確(que)收發。
聲頻解決
l 噪(zao)聲源(yuan)除(chu)去:快(kuai)速(su)清理(li)超低頻(pin)高壓發生器噪(zao)音污染(如嗡(weng)嗡(weng)響聲)和中頻(pin)雜(za)聲,提升 音質。
l 特(te)效音素(su)材下載激(ji)發:提高人聲伴奏或弦樂器(qi)頻(pin)段,新建特(te)色(se)特(te)效音素(su)材下載(如“電話(hua)號(hao)音”)。
動物醫學檢驗工程項目
l 生(sheng)理特點4g信號(hao)工作:查看心電圖(tu)檢查(ECG)、腦(nao)電圖(tu)(EEG)等(deng)動物無線(xian)信號(hao)中的(de)特別的(de)頻次材質,手(shou)游輔(fu)助(zhu)程度。
調節器器應用領域
l 振動幅度(du)大/變快度(du)傳調節(jie)器器:收集感想象力(li)幀率組成(cheng),上升監(jian)測誤(wu)差和設計(ji)耐用性。
蘇州市立維創展新材料技術十分有限裝修公司授權證書進口代理市場KR Electronics濾波(bo)器新(xin)產品。并保證服(fu)務(wu)的顧問和(he)安裝技術支撐服(fu)務(wu)的。