這個行業資迅
發布信息用時:2025-08-04 16:36:33 查(cha)詢:87

在(zai)全國(guo)供(gong)給(gei)鏈(lian)廣(guang)度改(gai)變(bian)(bian)與(yu)傳(chuan)統化(hua)市場(chang)需求變(bian)(bian)快(kuai)的當下(xia),日(ri)本產(chan)(chan)供(gong)電組件正迎接(jie)戰略布(bu)局(ju)級發展壯大取得實效。是(shi) TI特別材質PTH08T241WAD的傳(chuan)統化(hua)提高工作(zuo)方案(an),Leadway進(jin)入中國(guo)的LWH08T241WAD完成全自行磁路(lu)結構設(she)計保證96%谷值熱效率,并在(zai)-40℃至125℃寬溫域內維持平衡打印輸出,其多元化(hua)經營化(hua)產(chan)(chan)線與(yu)盡快(kuai)響應(ying)的服務于機制(zhi),為(wei)工業生產(chan)(chan)的設(she)備制(zhi)作(zuo)業商(shang)帶來了兼備技(ji)術(shu)水平品質可靠(kao)性(xing)與(yu)銷售鏈(lian)安全可靠(kao)性(xing)的甄(zhen)選策劃(hua)方案(an)。
參數值相比
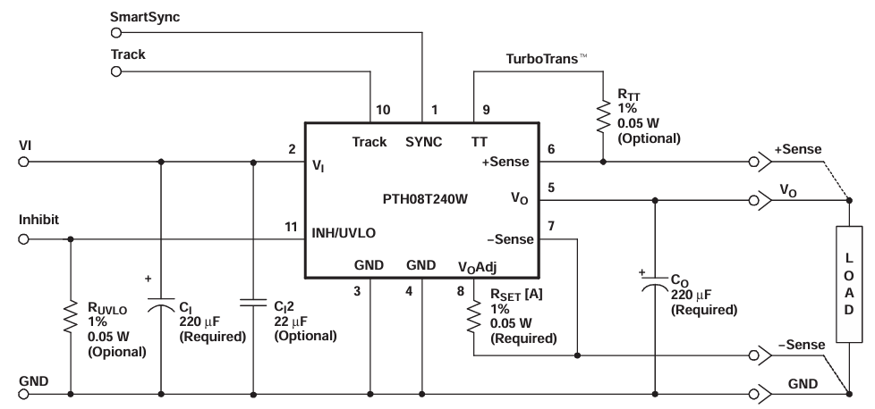
要點指(zhi)標(biao) | LWH08T241WAD(國內(nei)生產(chan)的換用) | PTH08T241WAD(TI正(zheng)品) |
鍵盤(pan)輸入端電壓規模 | 4.5 V – 14 V | 4.5 V – 14 V |
傳輸電(dian)壓(ya)電(dian)流比率 | 0.69 V – 5.5 V(可手動調節(jie)) | 0.69 V – 5.5 V(調(diao)節) |
額定輸出電(dian)壓電(dian)流(liu) | 10 A | 10 A |
封口/引腳 | 11-Pin DIP(通(tong)孔) | 11-Pin DIP(通(tong)孔) |
尺寸圖(L×W×H) | 22.1 mm × 15.7 mm × 8.6 mm | 22.1 mm × 15.7 mm × 8.6 mm |
本職工作溫規(gui)模 | –40 °C ~ 98 °C | –40 °C ~ 85 °C |
高效率 | 經典 95 % | 具代表(biao)性 96 % |
用途性能 | 適(shi)用 TurboTrans 等效短時間瞬態死機(ji) | 原裝廠 TurboTrans 系統 |
兼容/使用的方(fang)法 | PIN-TO-PIN 原(yuan)位代(dai)用 | — |
主要優勢分析一下
耐常溫安全性能(neng):LWH08T241WAD的(de)(de)運行(xing)溫(wen)比(bi)率發展至(zhi)-40℃至(zhi)125℃,要(yao)素(su)材質 可能(neng)屏幕上顯示其(qi)可忍受達到176℃的(de)(de)高(gao)的(de)(de)溫(wen)度,不同(tong)之處PTH08T241WAD的(de)(de)-40℃至(zhi)85℃,具備著更強的(de)(de)耐持續高(gao)溫(wen)能(neng)力素(su)質。這特征使其(qi)有點適宜(yi)于惡劣的(de)(de)環境或持續高(gao)溫(wen)工業品動(dong)畫場景,如室外(wai)通(tong)信系統移動(dong)通(tong)信基站(zhan)、汽年電子(zi)設(she)備等。
成(cheng)本預算(suan)長處:當作日本產外接電源摸塊,LWH08T241WAD的成(cheng)品(pin)(pin)報價一(yi)般降到進品(pin)(pin)成(cheng)品(pin)(pin),可幫助單位拉低(di)10%~30%的購(gou)置人工成(cheng)本,有效果提高收益范圍。
供應信(xin)息鏈穩固(gu)性:LWH08T241WAD的(de)交付的(de)周(zhou)期(qi)更(geng)短,常(chang)常(chang)只需1~2周(zhou),有用以免 了(le)缺貨危險 ,確保了(le)出產的(de)間(jian)斷性性。這(zhe)關于必(bi)須要高速 積極響(xiang)應領域變(bian)化的(de)工業企業來更(geng)為(wei)己(ji)任(ren)要。
國(guo)內化價格:LWH08T241WAD滿足內部(bu)“信創”最新政策主導性(xing),專門(men)適用人群于相關部(bu)門(men)、軍民融合等對生(sheng)(sheng)產商鏈(lian)服務性(xing)可控制(zhi)的(de)(de)要求嚴(yan)謹(jin)的(de)(de)領域行業,電子助(zhu)力的(de)(de)企業控制(zhi)國(guo)內生(sheng)(sheng)產化充當,提高自己生(sheng)(sheng)產商鏈(lian)防護(hu)性(xing)。
應用軟件不一樣
l 工(gong)業制(zhi)造的控制(zhi)范疇:適(shi)宜于PLC、調頻(pin)器(qi)(qi)、步(bu)進推動(dong)器(qi)(qi)推動(dong)器(qi)(qi)等必須要 高(gao)安(an)全可靠度(du)電(dian)的(de)應(ying)用場景,加強組織領導的(de)設備安(an)穩電(dian)腦運行。
l 流量的(de)設備行業領(ling)域:選使用5G移動信號塔、光傳感器、互相網絡交換機等對水溫認知(zhi)性需要高的機械,意愿(yuan)簡化條件下的電(dian)源線(xian)意愿(yuan)。
l 小汽車智能電子各個領(ling)域:選用到(dao)車載(zai)式充能機(ji)、電瓶(ping)操作設備(BMS)等耐酸堿環(huan)境環(huan)境,上升各類(lei)汽車光電環(huan)保設備的(de)可信性和健康性。
廣州 市立維創展高新科技比較有限子公司開發20年電子為了滿足電子時代發展的需求,元電子器件技藝積淀,技術專業的產品開發和品控專業團隊,成就Leadway主機電源包塊產(chan)品(pin)。以(yi)技術設(she)備(bei)不斷創新為(wei)基本(ben)點,做最(zui)比較合適的市場供給的產(chan)品(pin)規(gui)格(ge)為(wei)。產(chan)品(pin)對(dui)標學習美系、日(ri)系小清新,控制pin &pin替(ti)換成如是需要任意技術工(gong)藝大力(li)支持,或食品(pin)顧(gu)問(wen),喜歡顧(gu)問(wen)。