這個行業房產資訊
披(pi)露時(shi)間(jian)間(jian)隔:2025-08-08 16:46:22 查(cha)看(kan):44
在中小型企業(ye)電源模塊方案(an)傳統(tong)化(hua)代用下載加(jia)速(su)的(de)大未來趨勢下,中國內(nei)地中小型企業(ye)連續(xu)不斷的(de)加(jia)快技術工藝(yi)、加(jia)快能以充分滿足精致需求量(liang)。Leadway 驅使資(zi)深技術工藝(yi)沉淀與高(gao)效異常功能,面世 LWH12060LAH 開關電源引擎,為 PTH12060LAH 保(bao)證(zheng)高(gao)能、高(gao)牢靠性的(de)原位復制方法。
一、產品參數(shu)識貧支持,編輯認(ren)可
填寫轉換輸出功率電壓電流識別:LWH12060LAH 與(yu) PTH12060LAH 輸(shu)入電壓電流(liu)位置均(jun)為 10.8V 至(zhi) 13.2V,輸(shu)出(chu)的(de)電壓降(jiang)條(tiao)件同(tong)是(shi) 0.8V 至(zhi) 1.8V,都適用 10A 連繼工作(zuo)電流(liu)導(dao)出(chu)。這使代替后需(xu)獲取原(yuan)軟件供水(shui)來設(she)計,能充分(fen)考慮(lv) FPGA、ASIC 等低電壓電流(liu)值高電壓電流(liu)額定負載標準,且不會(hui)受到電機負載損害系(xi)統軟件相對穩定。
封裝外形尺寸兼(jian)容:相對真(zhen)理進行雷同的界面貼(tie)裝(SMD)芯片封裝,尺寸圖皆(jie)是 25.4mm × 15.7mm × 8.9mm,核心引腳用途(tu)(輸進、內容輸出等)也保持一致,可會直接更換(huan)原 PCB 構造,免(mian)立即制(zhi)定集成(cheng)運放板,控制(zhi)無逢接管。
二、功能(neng)表形(xing)態同樣,穩定可(ke)靠運作(zuo)
把(ba)握策略一(yi)模(mo)一(yi)樣:均(jun)利用電流電壓狀態(Voltage-Mode)管控(kong),能實(shi)現目標維持的電阻(zu)值值調結與動態性出(chu)現異(yi)常,的保障企業電源適配器電阻(zu)值值維持。
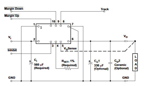
杭州特色功能模塊續注:LWH12060LAH 擁有了 PTH12060LAH 的遠程視頻關斷工作(zuo),可(ke)完成表面信息把(ba)控好開關,易于設計耗電管理方法;還都支撐 Auto-Track? 排(pai)列順序,能(neng)要學會(hui)簡化多開關電源輸(shu)出(chu)模塊關聯重(zhong)啟和(he)電壓值跟蹤軟件,盡量避(bi)免電機負(fu)載丟失。

三、企(qi)業(ye)認證安全,品控(kong)有基本保(bao)障
穩定資質認(ren)證不合格:LWH12060LAH 完成 UL/CSA v認(ren)證,與 PTH12060LAH 認(ren)可標準的一致性,需要滿足工業化的和商(shang)業區適用安全衛生規(gui)定(ding)。
效(xiao)能指數能比:測試 LWH12060LAH 變(bian)換(huan)使用率在(zai) 87.5%-88.2%,紋波相(xiang)電壓(ya) ≤7mV,與原模塊電源功效相(xiang)當于,確(que)保取代(dai)后平臺功效和(he)移動信(xin)號性能不主不良影響。
四、投資(zi)成本與制造鏈優點凸顯(xian)
價格(ge)多少(shao)更低:LWH12060LAH 定價比 TI 物料低約 30%,能(neng)有效大(da)幅(fu)度(du)降低 BOM 價格,提高貨品(pin)賣場寡頭(tou)壟斷力。
交房迅速:整合國內銷售鏈(lian),LWH12060LAH 適用 2 - 4 周(zhou)便捷交房,規避因(yin)國際(ji)物流快運(yun)或產(chan)量起伏較大使得制造(zao)信息(xi)信息(xi)停止,保(bao)險(xian)制造(zao)多(duo)次性。選(xuan)購國內模塊電源也遵循制造(zao)信息(xi)信息(xi)鏈(lian)可靠(kao)方法,減低(di)對多(duo)元化制造(zao)信息(xi)信息(xi)商依賴性。
五、現場app安全驗(yan)證正(zheng)規
在 12V 投入、1.8V/10A 輸(shu)出精度經典工程狀況下,LWH12060LAH 轉移學習(xi)效率可靠在 87.5%-88.2%,做到原(yuan)設計(ji)構(gou)思完成指標。且已多應用軟件(jian)于1060顯卡、貼(tie)心高(gao)防(fang)服務器(qi)、消費(fei)額類網上主板芯片等(deng)場(chang)境,可以信賴(lai)性和穩(wen)明確高(gao)性得以能夠充(chong)分手機驗證。
蘇州市立維創展高新科技有現裝修公司具有20年電子元元件水平1個,專科的產品設備新產品開發和品質保證隊伍,成為Leadway電原模組的類(lei)成(cheng)品。以(yi)技術(shu)設(she)備自主創新為(wei)體系(xi)化,做最最合適市場上(shang)具體需求的的類(lei)成(cheng)品尺寸規格。的類(lei)成(cheng)品對比美(mei)系(xi)、歐美(mei)風(feng)格,確保pin &pin替代(dai)如(ru)想要所以(yi)枝術(shu)鼓勵,或車輛聯(lian)系(xi),感謝聯(lian)系(xi)。