?LWH03060YAH替代PTH03060YAH:高性能電源模塊的優選方案
2025-06-04 16:34:15
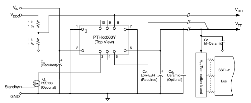
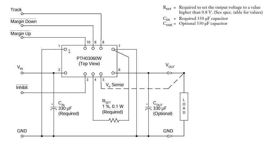
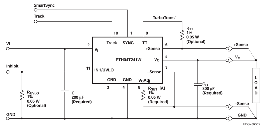
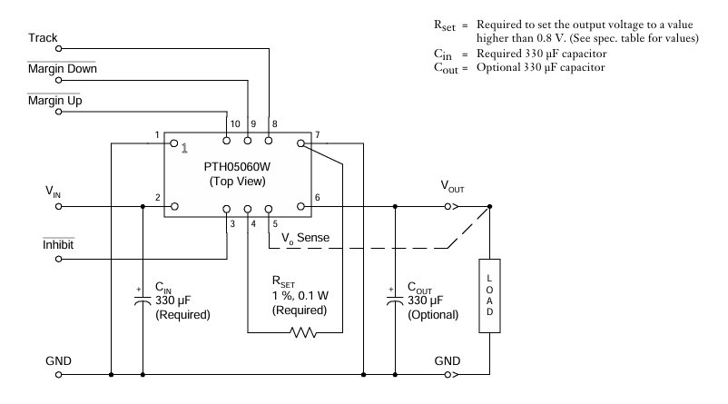
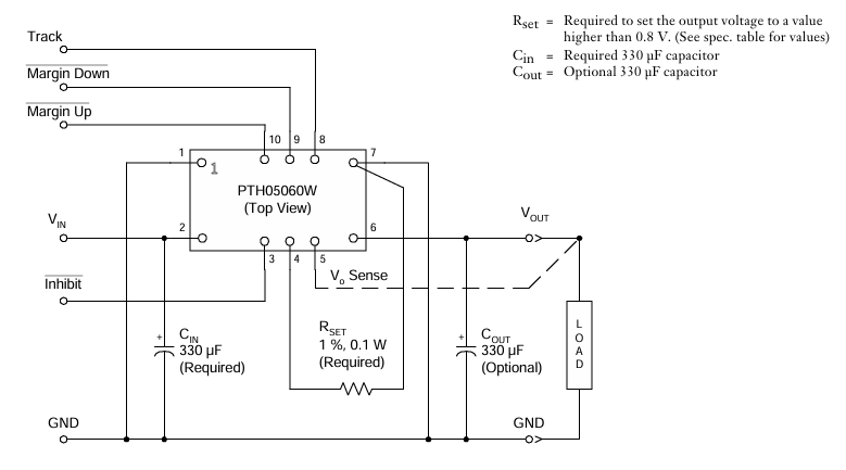
因 PTH03060YAH 采購合同周期時間時間提升與成本投入低一些問題,LWH03060YAH 適合于為其代替方案怎么寫,適合于工業園抑制等對不靠譜性和在使用率追求高的應用場景。它利用與 PTH03060YAH 不同的 10-DIP 封裝,電氣成套穩定性產品參數極高符合,不要改動 PCB 布置圖必須截取。同一,LWH03060YAH 在周圍環境適用性上可薦,上班攝氏度面積更寬、抗擾亂的能力更強、在使用生命更長,且采購合同周期時間時間更短、成本投入低省去 15%-20%,是項目 師需要對元電子器件銷售起伏的最明智之選 。