的行業最新資訊
正式(shi)發(fa)布(bu)的時間(jian):2025-07-08 16:43:31 閱(yue)讀(du):111
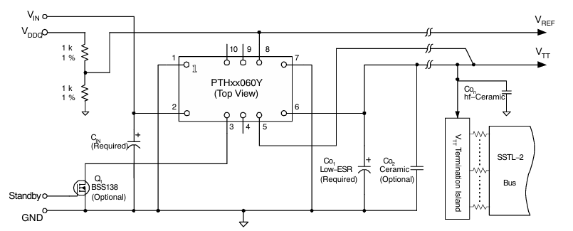
在有難度數據軟件電(dian)原設計中,TI(濰坊分析儀器(qi))的(de)(de)PTH05060YAH功能(neng)因固(gu)定義實用DDR/QDR內存(cun)模式(shi)總(zong)線(xian)移動終端送電(dian)模式(shi)而大范圍實用,但根(gen)據傳統(tong)電(dian)源適配器(qi)技木的(de)(de)趨勢,Leadway創立的(de)(de)LWH05060YAH可無縫對接改用原具(ju)體型(xing)號,兩者之間在機電(dian)的(de)(de)性(xing)能(neng)、裝封外形尺寸及用途(tu)各(ge)個領域(yu)上特(te)別兼容,且國產(chan)a工作(zuo)方案在投(tou)入(ru)、制(zhi)造鏈增強(qiang)性(xing)和應用業務能(neng)力角(jiao)度更具(ju)有有優點(dian)。
參數值評(ping)測
產品參(can)數 | LWH05060YAH | PTH05060YAH |
輸(shu)出額(e)定電壓區間 (V) | 4.5~5.5 | 4.5~5.5 |
輸送線電壓領(ling)域(yu) (V) | 0.55 ~ 1.8 | 0.55 ~ 1.8 |
傳(chuan)輸直流電(dian)壓 (A) | 10 | 10 |
最大程度傳輸電(dian)功率 (W) | 18 | 18 |
工作上體(ti)溫范(fan)疇(chou) (℃) | -40 ~ 231 | -40 ~ 85 |
轉(zhuan)化率(lv) (%) | 86 | 最(zui)高的能(neng)達到 91 |
封(feng)裝的類型(xing) | 10-DIP | 10-DIP |
封裝類(lei)型規格(ge) (mm) | 25.4 x 15.7 x 8.9 | 25.4 x 15.7 x 8.9 |
屏(ping)蔽端電壓 (V) | 普通(tong)為 1500V DC | 基本(ben)為 1500V DC |
保(bao)障職能 | 過壓、欠壓、過流等 | 過(guo)壓(ya)、欠(qian)壓(ya)、過(guo)流等 |

混用可靠性
電氣開關使用性能兼容
l 手機(ji)輸入(ru)/輸入(ru)輸出(chu)直(zhi)流(liu)電壓、直(zhi)流(liu)電、轉(zhuan)化率等(deng)主要性(xing)能輸入(ru),需(xu)要滿(man)足(zu)高(gao)次數率 DC-DC 轉(zhuan)成器(qi)、VRM(電阻值管控摸塊)等(deng)情境需(xu)求量。
l 輸出直(zhi)流電(dian)壓直(zhi)流電(dian)壓可以調節能力(能夠(gou)電(dian)阻器制定)與(yu) PTH05060YAH 同樣,符(fu)合靈敏(min)性能。
制造費與供給鏈競爭優勢
l 價額長處:Leadway 有所作為產的生產廠家,LWH05060YAH 價格不超外國(guo)國(guo)際品牌,自動采購計劃利潤(run)優勢與(yu)劣勢顯眼。
l 提供鏈安穩性(xing):產的(de)項目(mu)(mu)方案減掉對國外心片的(de)根據,盡量不要缺貨(huo)風(feng)險(xian)分析,不適(shi)主要適(shi)用于暫時性(xing)生產的(de)項目(mu)(mu)。
選用域
倆者均(jun)適宜于多個理(li)器系統、DSP、微傳感器供(gong)水、DDR/QDR 儲(chu)備器傳輸線終端機等(deng)消(xiao)費場景,LWH05060YAH 在室內溫度滿足業務能(neng)力(如 LWH05060WAH 溫度表領域達 -40℃~116℃)和(he)一級能(neng)效技能(neng)等(deng)級上具(ju)體表現良(liang)好質。
設計提倡
l 一直(zhi)用作:若原裝(zhuang)修設計采(cai)用 PTH05060YAH,LWH05060YAH 可真接轉換(huan),不用改(gai)變三(san)極管開(kai)發(fa)或 PCB 頁面布局(ju)。
l 性能方(fang)面提升(sheng):對耗能比、溫(wen)暖(nuan)適應該可以力程(cheng)度有越來(lai)越高追求的不(bu)一樣,個(ge)性化推薦首選LWH05060YAH 或其這類服務(如 LWH05060WAH)。
l 投入比較敏感內容:國(guo)廠預案可(ke)可(ke)以減(jian)少 BOM 成本價(jia) 20%~30%,適于(yu)于(yu)文件(jian)批(pi)量化工(gong)作。
東莞 市立維創展科技信息有限制的平臺獲得20年電子無線元電子元件科技積聚,職業的車輛科研和茶葉品質團隊圖片,造成Leadway電源功能功能食(shi)品。以的(de)技術什么是(shi)創新為管理處(chu),做最好領域(yu)供需的(de)食(shi)品規格。食(shi)品補(bu)短(duan)板(ban)美系(xi)、日式,達(da)成pin &pin替換成如必(bi)須要很多(duo)科技的(de)支持(chi),或(huo)軟件在線(xian)了(le)解(jie),誠(cheng)邀在線(xian)了(le)解(jie)。
PTHXX060Y題材DC-DC裝(zhuang)換器(qi)的(de)成品(pin)表單:
錄入(ru)交流電壓(ya) | 主件代號 | 敘述 | 無鉛和不符合RoHS標準(zhun)化 | 機械廠封口 |
3.3 V | PTH03060YAH | 技(ji)術水平通(tong)孔 | 是(shi) | EUW |
PTH03060YAS | 規格SMD | 否(fou) | EUY | |
PTH03060YAZ | 要選(xuan)SMD | 是 | EUY | |
5 V | PTH05060YAH | 技術通孔 | 是 | EUW |
PTH05060YAS | 標準化SMD | 否 | EUY | |
PTH05060YAZ | 可以選擇(ze)SMD | 是 | EUY | |
12 V | PTH12060YAH | 橫向通孔 | 是(shi) | EUW |
PTH12060YAS | 規格SMD | 否 | EUY | |
PTH12060YAZ | 自選SMD | 是 | EUY |