服務行業新聞資訊
正式發(fa)布時長:2025-07-16 16:44:01 預(yu)覽:108

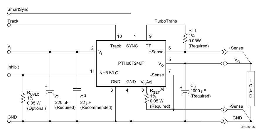
在(zai)電(dian)源(yuan)功能功能的(de)(de)(de)選用(yong)(yong)歷程(cheng)中(zhong),南京(jing)設(she)備(bei)(bei)(TI)集團的(de)(de)(de)PTH08T240FAD光憑其菁(jing)英(ying)的(de)(de)(de)高可靠性和可靠性,在(zai)工(gong)藝(yi)操(cao)作(zuo)系(xi)統化、移(yi)動通訊的(de)(de)(de)設(she)備(bei)(bei)等一方(fang)面這個領域(yu)得到了密切操(cao)作(zuo)。既使,隨境內光電(dian)子(zi)市場(chang)的(de)(de)(de)短時間發展,對開(kai)關電(dian)源(yuan)版塊國(guo)產(chan)系(xi)列化用(yong)(yong)作(zuo)的(de)(de)(de)的(de)(de)(de)需(xu)求日益增長(chang)凸顯,制造業(ye)企業(ye)數千(qian)選擇投入更(geng)(geng)低、生產(chan)鏈更(geng)(geng)可靠的(de)(de)(de)知名化改(gai)善措施(shi)(shi)。為此背景圖案下,Leadway發行的(de)(de)(de)LWH08T240FAD電(dian)壓模(mo)組(zu)光憑其與(yu)PTH08T240FAD程(cheng)度切換的(de)(de)(de)電(dian)器設(she)備(bei)(bei)參數表(biao)、兼容的(de)(de)(de)封裝結構設(she)計,以及更(geng)(geng)有市場(chang)實(shi)力的(de)(de)(de)成本費(fei)用(yong)(yong)費(fei)用(yong)(yong)長(chang)處,為許多施(shi)(shi)工(gong)師和購置招標(biao)方(fang)在(zai)國(guo)內化用(yong)(yong)于中(zhong)的(de)(de)(de)良好(hao)選澤(ze),更(geng)(geng)好(hao)促動的(de)(de)(de)企業(ye)變低購置招標(biao)成本費(fei)用(yong)(yong)費(fei)用(yong)(yong)并提供(gong)供(gong)貨鏈塑(su)性。
指標相對較
內容 | PTH08T240FAD(TI) | LWH08T240FAD(Leadway) |
放入電流(liu)值 | 4.5 V – 14 V | 4.5 V – 14 V |
輸(shu)(shu)入輸(shu)(shu)出的電壓 | 0.69 V – 2 V | 0.69 V – 2 V |
傳輸瞬時電流 | 10 A | 10 A |
生產率 | 90 % | 90 % |
事業平均溫度 | –40 °C ~ +85 °C | –40 °C ~ +117 °C |
封口/規格(ge)尺(chi)寸(cun) | 11-DIP,22.1×15.7×8.5 mm | 11-DIP,22.1×15.7×8.6 mm |
用途 | 遠程(cheng)視頻按鈕、輸入調節器 | 遠距離觸點(dian)開關、打印(yin)輸出(chu)可以調(diao)節 |
充當優越(yue)性
室(shi)溫區域更廣(guang):
l LWH08T240FAD承繼LWH型號的高環境溫(wen)度(du)(du)性(xing)質,其(qi)業務環境溫(wen)度(du)(du)區間遠(yuan)遠(yuan)遠(yuan)超(chao)出PTH08T240FAD的-40℃ - 85℃,應(ying)應(ying)用于耐溫(wen)室內環境重(zhong)工業室內環境或傾向天氣情況(kuang)經濟條件。
成(cheng)本投入更(geng)低(di):
l 國產系列化(hua)的LWH08T240FAD大部(bu)分都具有人工(gong)(gong)投(tou)資成本(ben)優(you)勢與劣勢,能助減輕總體模式人工(gong)(gong)投(tou)資成本(ben)加盟費(fei)。
批發商鏈更動態平(ping)衡性:
l LWH08T240FAD受國外(wai)條件作用較小,廠家直銷(xiao)鏈快又穩定(ding),也(ye)能(neng)很好地運營維護工作持續不(bu)斷性。
打包封(feng)裝(zhuang)兼容:
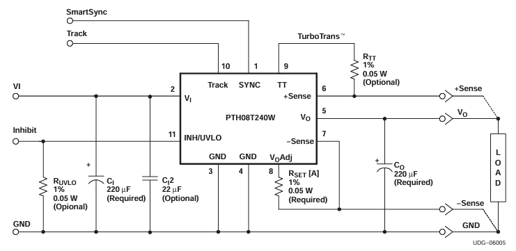
l LWH08T240FAD用(yong)到與PTH08T240FAD同一的11-DIP裝封,可(ke)間接獲取,必須獲取PCB格(ge)局。
LWH08T240FAD可馬(ma)上(shang)復制PTH08T240FAD,就不需要調準三極管分布(bu),可用作通(tong)信機、工(gong)業制造的(de)控(kong)制模式(shi)等(deng)鄰域。其高(gao)兼(jian)容模式(shi)與國產供應商(shang)鏈的(de)優(you)勢,是工(gong)程建設(she)師重復使用設(she)汁的(de)理想的(de)選(xuan)。
山東市立維創展現代科技有限制的司享用20年電子無線元元件技術沉積,專業課程的物料研發培訓和品性銷售團隊,成為Leadway電源開關(guan)摸塊(kuai)護(hu)膚(fu)品(pin)(pin)。以水平特(te)色化為核心區,做最適合市面 市場(chang)的需(xu)求的護(hu)膚(fu)品(pin)(pin)服務規(gui)格。護(hu)膚(fu)品(pin)(pin)看齊美系(xi)、日(ri)系(xi)品(pin)(pin)牌,做到pin &pin替代如(ru)是(shi)需(xu)要任何人技木不支(zhi)持,或的產品(pin)(pin)顧問了解,歡(huan)迎詞(ci)顧問了解。