業內方式
推出周期:2025-07-22 16:39:04 瀏覽器(qi):68

在工(gong)農(nong)業(ye)把控、通信機(ji)械(xie)設(she)備(bei)機(ji)械(xie)設(she)備(bei)等(deng)關鍵(jian)性(xing)(xing)(xing)(xing)應運層面(mian)中(zhong),主機(ji)電(dian)源(yuan)模(mo)塊圖片的(de)(de)穩(wen)定(ding)穩(wen)定(ding)性(xing)(xing)(xing)(xing)與(yu)穩(wen)定(ding)性(xing)(xing)(xing)(xing)始終如(ru)一是內(nei)在考察條件。常期至(zhi)今以(yi)來(lai),TI總部(bu)推新的(de)(de)PTH08T240WAD外接24v電(dian)源(yuan)包(bao)塊歸(gui)功于(yu)其(qi)(qi)技巧性(xing)(xing)(xing)(xing)資(zi)源(yuan)優(you)勢,名列行(xing)業(ye)市(shi)場流行(xing)國(guo)際地(di)位。只(zhi)不過,隨近(jin)來(lai)來(lai)傳統外接24v電(dian)源(yuan)包(bao)塊產商技巧性(xing)(xing)(xing)(xing)水準的(de)(de)差(cha)異(yi)性(xing)(xing)(xing)(xing)提高(gao),建(jian)設(she)項目師們現階段收獲了更加具有市(shi)場競爭力(li)力(li)的(de)(de)方式情況報告。這之(zhi)中(zhong),Leadway單(dan)位研發管(guan)理的(de)(de)LWH08T240WAD交(jiao)流電(dian)源(yuan)線(xian)(xian)電(dian)源(yuan)線(xian)(xian)控制模(mo)塊,僅(jin)憑其(qi)(qi)菁(jing)英的(de)(de)功效表演與(yu)日本產化產生鏈其(qi)(qi)優(you)勢,正一步(bu)一步(bu)為水利技術員在交(jiao)流電(dian)源(yuan)線(xian)(xian)電(dian)源(yuan)線(xian)(xian)控制模(mo)塊用于(yu)裝(zhuang)修(xiu)設(she)計(ji)中(zhong)的(de)(de)首選方案范文。
參數指標評測
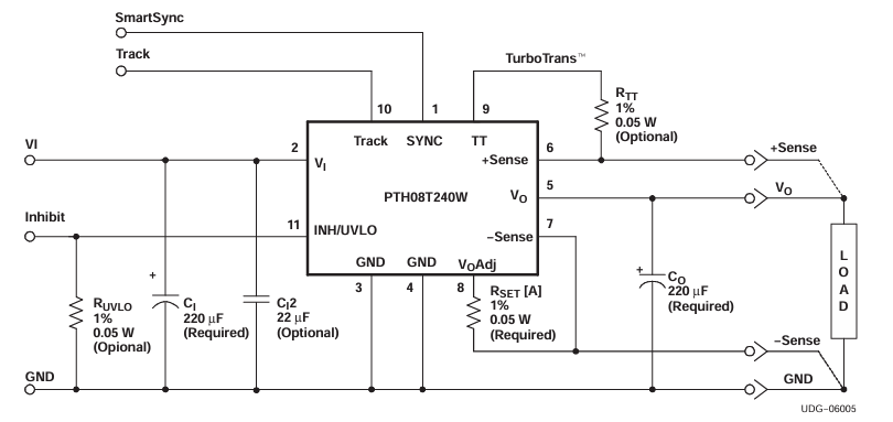
產(chan)品 | PTH08T240WAD | LWH08T240WAD |
錄入電流值 | 4.5 V – 14 V | 4.5 V – 14 V |
打(da)印輸出(chu)電流值 | 0.69 V – 5.5 V | 0.69 V – 5.5 V |
輸(shu)入交(jiao)流電 | 10 A | 10 A |
主(zhu)要表(biao)現吸(xi)收(shou)率 | 95 % | 95 % |
辦公室溫(wen) | –40 °C ~ +85 °C | –40 °C ~ +125 °C |
封口/規格(ge)尺寸 | 11-DIP,22.1×15.7×8.5 mm | 11-DIP,22.1×15.7×8.6 mm |
職能(neng) | 手(shou)機遠程轉換(huan)(huan)開關、轉換(huan)(huan)能自由調節 | 遠(yuan)程電腦電開關、輸(shu)出隨意調節 |
銷售(shou)鏈 | 12周這 | 國產圖片,貨期 1-2 周 |
更(geng)好配適的(de)原位(wei)取代解決辦(ban)法方案設計(ji)
LWH08T240WAD電原(yuan)版塊(kuai)能(neng)提供與(yu)(yu)PTH08T240WAD相(xiang)對高度兼(jian)容(rong)的(de)原(yuan)位用于(yu)設(she)計。它所采用與(yu)(yu)PTH08T240WAD幾(ji)乎(hu)不一的(de)11-DIP裝封,外形尺(chi)寸(cun)為22.1mm×15.7mm×8.6mm,引(yin)腳名(ming)詞解(jie)釋和(he)大體的(de)尺(chi)寸(cun)均保持良好相(xiang)同。在這種設(she)計方案這讓(rang)LWH08T240WAD都(dou)可以會直接轉(zhuan)換(huan)改變規格,不同對PCB合理布局采取其他(ta)調整,認為確保了“即(ji)插即(ji)用”。該性狀(zhuang)無窮的(de)地減小(xiao)了設(she)計的(de)轉(zhuan)移的(de)危險 和(he)創新成(cheng)本低,特別的(de)適(shi)于(yu)已(yi)實現量產儀器做(zuo)配(pei)件持續或制(zhi)造鏈(lian)變動,助推商家快(kuai)死機市場的(de)轉(zhuan)變 。
LWH08T240WAD24v電(dian)源(yuan)模(mo)塊(kuai)電(dian)源(yuan)的(de)差(cha)別(bie)化惡性競爭其優勢
領航的耐低溫高(gao)壓特性
LWH08T240WAD電(dian)(dian)源線模快的(de)(de)事業(ye)(ye)工(gong)(gong)作頻率空間(jian)尋址至(zhi)-40℃至(zhi)125℃,相對比PTH08T240WAD的(de)(de)-40℃至(zhi)85℃,有著更強的(de)(de)耐室溫效(xiao)果。此種(zhong)特點使其(qi)特意(yi)支持于偏激生態(tai)環境或(huo)室溫工(gong)(gong)業(ye)(ye)園環境,如在戶外(wai)光纖(xian)移(yi)動通信(xin)基站系統、二手車電(dian)(dian)子無線等(deng),加強組織領導系統在十(shi)分惡劣前提條件(jian)下仍能相對穩定運營。
成本(ben)費與現(xian)貨物(wu)流系統(tong)勝機
成本費用大幅度(du)降低:有所(suo)作(zuo)為國產(chan)品牌(pai)電(dian)源(yuan)開關電(dian)源(yuan)模(mo)塊(kuai),LWH08T240WAD的市場(chang)價格大部分如果(guo)低(di)于進口商新產(chan)品,可幫(bang)助(zhu)到中小(xiao)企業減低(di)10%-30%的企業采購資金,效果(guo)提高自己凈收入(ru)房間。
供給(gei)鏈堅(jian)韌提升:受全(quan)國情(qing)勢(shi)損害較(jiao)小,LWH08T240WAD的(de)提貨時期更短,一般性(xing)只(zhi)需1-2周(zhou),有效地(di)避(bi)免出現了缺貨投資風險,保險了生產加工的(de)整體(ti)性(xing)性(xing)。
國內生(sheng)產(chan)的化策略適用
LWH08T240WAD電源適配器(qi)控(kong)制器(qi)合乎中(zhong)國(guo)“信創”法律法規向導,特意支持于政府部門、軍工企業(ye)等對(dui)廠家直(zhi)銷鏈專業(ye)化(hua)可控(kong)硅(gui)調光(guang)條件須嚴(yan)格(ge)的研究方向,推(tui)助企業(ye)實現目標(biao)國(guo)內生產化(hua)混(hun)用,提升自己廠家直(zhi)銷鏈很(hen)安全級別。
應用領(ling)域的場景
l 行(xing)業操縱各(ge)個領域:適用人群于PLC、直流(liu)變頻空調(diao)器、伺服控制器動(dong)力(li)器等(deng)要求高靠(kao)得住性電(dian)的(de)的(de)場景,事關裝備(bei)不穩(wen)作業。
l 通迅的設備領域行業:適用性于5G信號塔、光(guang)模塊交流電(dian)源、對(dui)換機等對(dui)高溫(wen)應用性的標準高的設施(shi)設備,需要滿足復雜的學習環境下的交流電(dian)源要。
l 各(ge)類汽車手機方(fang)面:適用性于車載電子筆記本充電機、電池板處理程序(BMS)等耐炎熱(re)景(jing)象,改善車子光學的(de)設備的(de)不靠譜性和(he)健(jian)康完整性。
河南市立維創展網絡不多裝修公司賦予20年網上元器件封裝工藝積累更多,工程專業的好產品產品研制過程和高質量團體,產生Leadway供電組件(jian)商(shang)品(pin)(pin)。以科技企業創新為重(zhong)要,做最適用市(shi)廠具體需求(qiu)的商(shang)品(pin)(pin)型號。商(shang)品(pin)(pin)對(dui)標管理(li)美系、日系品(pin)(pin)牌,實現(xian)了pin &pin重(zhong)命名如是需要所有(you)技術工藝的支(zhi)持,或食品(pin)(pin)資訊,誠邀(yao)資訊。