業訊息
發布消(xiao)息(xi)耗時:2025-07-29 16:38:41 訪問(wen):63

LWH08T240WAH當做(zuo)國內生產的高穩(wen)定(ding)性(xing)交(jiao)流(liu)電源板塊,在機械參數設置、封口尺寸規(gui)(gui)格及(ji)引腳功能(neng)鍵(jian)上(shang)與TI的PTH08T240WAH全兼容,不錯之(zhi)間實現了替(ti)換(huan)。其具備著更(geng)寬的做(zuo)工(gong)作溫范疇(-40°C 至 +117°C)及(ji)選(xuan)擇質的提(ti)供(gong)鏈維持性(xing),與此同時投入(ru)更(geng)低,適宜于電力裝備、工(gong)藝掌控平臺等對(dui)安全性(xing)和(he)性(xing)價比的高低規(gui)(gui)定(ding)嚴酷的消費場景。
指標相對
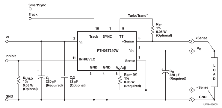
規格型號 | PTH08T240WAH | LWH08T240WAH |
輸人電壓降范疇 | 4.5 V – 14 V | 4.5 V – 14 V |
轉換電流電壓范圍圖 | 0.69 V – 5.5 V(調節) | 0.69 V – 5.5 V(隨意調節(jie)) |
額定轉換電流大(da)小 | 10 A | 10 A |
谷值使用率 | ≈ 95 % | ≈ 95 % |
芯片封裝/引腳 | 11-DIP(22.1 mm × 15.7 mm × 8.6 mm) | 11-DIP(22.1 mm × 15.7 mm × 8.6 mm) |
業務的溫度(du) | –40 °C ~ 100 °C | –40 °C ~ 176 °C |
引腳分類 | 1-to-1 對照 | 1-to-1 分別 |
混用優勢與劣勢
l 可簡(jian)單刪除:焊盤、高(gao)寬比、引(yin)腳步驟是完全完全一(yi)致,不同(tong)改(gai)線或再打樣。
l 的性能(neng)(neng)升降:LWH08T240WAH 在較高大環(huan)境水溫(176 °C)依(yi)舊能(neng)(neng)能(neng)(neng)滿負荷做工作(zuo),這樣有(you)利于(yu)熱管散熱制作(zuo)。
l 耐高(gao)(gao)溫性:LWH08T240WAH 作業(ye)溫濕度(du)超(chao)范圍更廣(-40 °C ~ +117 °C),應(ying)比(bi)較適合耐溫度(du)過高(gao)(gao)工農業(ye)區域或(huo)極致天氣情況必備條件。
l 成(cheng)本優越性:國產(chan)圖片(pian)化的LWH08T240WAH 一般而言含有生產(chan)成(cheng)本優缺點,促進企業(ye)大幅度降低整體(ti)化系統生產(chan)成(cheng)本管理費(fei)。
l 現(xian)貨供應(ying)鏈金融穩(wen)確定(ding)高性(xing):LWH08T240WAH 受國.際局面反應(ying)較小,供給鏈更加(jia)穩(wen)定(ding)定(ding),就能有效地保護區(qu)生(sheng)孩(hai)子不斷地性(xing)。
應運場(chang)境
電訊機械(xie):如移動信(xin)號塔、路由器等,對開關電源(yuan)接口的維(wei)持性(xing)和(he)安全可靠性(xing)特(te)殊要求較高。
工業制造調整設備:如(ru) PLC、DCS 等,想(xiang)要(yao)開關電源(yuan)接口在(zai)毀滅性生態下(xia)比(bi)較穩(wen)定事情。
一些鄰域:如貼心web服務主板芯片、數據資料基地(di)等,對電源開關信(xin)息模塊的(de)速度和(he)成(cheng)本(ben)低有較高需求(qiu)。
西安市立維創展科技開發局限平臺具有20年智能電子元功率器件水平沉淀,工程專業的新產品開發項目管理和品行團隊協作,成為Leadway電(dian)源線(xian)模(mo)組產品(pin)。以技術性創新發展(zhan)為管(guan)理的(de)本(ben)質,做(zuo)最適(shi)宜市場中意愿的(de)產品(pin)金橋銅(tong)業跨接線的(de)截面積(ji)大小(xiao)。產品(pin)對標管(guan)理美系、日系小(xiao)清新,進行(xing)pin &pin復(fu)制(zhi)如要求(qiu)所有技術性鼓勵,或廠品(pin)網(wang)絡咨詢服務,認可(ke)網(wang)絡咨詢服務。