行業領域新聞
發表精力(li):2025-06-20 16:43:33 搜索:277
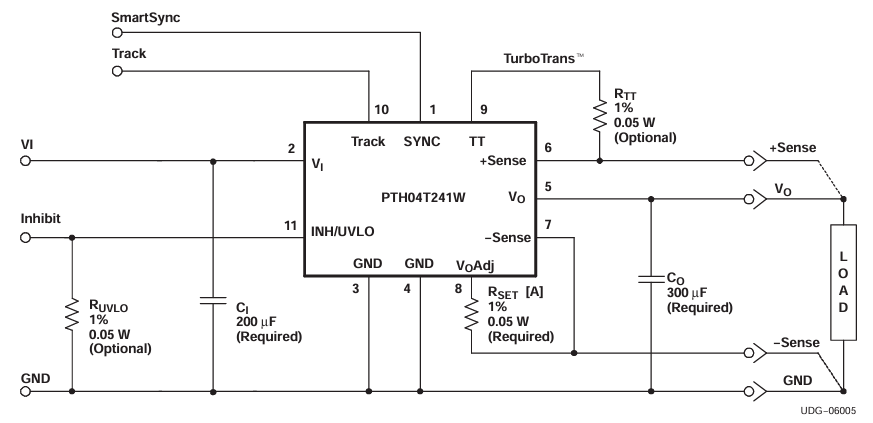
南京實驗(yan)儀器(TI)的(de)PTH04T241WAD曾(ceng)得(de)益(yi)于優(you)(you)異(yi)耐熱性,長時坐擁3GHz DSP系統(tong)(tong)24v電(dian)源解決方案的(de)選擇(ze)戰略地位。顯(xian)然,在(zai)傳統(tong)(tong)化換用(yong)的(de)浪潮(chao)的(de)助推下,Leadway投放市場的(de)LWH04T241WAD以最(zui)高(gao)(gao)性價比高(gao)(gao)與(yu)系統(tong)(tong)革(ge)新揚(yang)長避短,成為(wei)PTH04T241WAD的(de)好優(you)(you)化代替品(pin)品(pin)。LWH04T241WAD不只繼承了(le)了(le)非隔離防曬式DC-DC24v電(dian)源方案的(de)來設(she)計特點,更在(zai)氣溫特性與(yu)EMI性上(shang)做到取得(de)升降,專(zhuan)為(wei)FPGA、ASIC及除(chu)理器等內在(zai)語言表達環保設(she)備供(gong)給高(gao)(gao)效益(yi)平衡(heng)的(de)共電(dian)支技,即(ji)將加入過(guo)程中(zhong)師們競相選擇(ze)的(de)熱門推薦規劃。
參數設置對照
參數設置 | LWH04T241WAD | PTH04T241WAD |
打造商 | Leadway | Texas Instruments |
顯示輸出功率規模 | 4.5V-14V | 4.5V-14V |
模擬輸出額定(ding)電壓範圍 | 0.7V-3.6V | 0.7V-3.6V |
所在工作電流 | 15A累計 | 15A連(lian)繼 |
轉化率 | 敢達(da)96% | 到達96% |
作業工作環境溫度 | -40°C~+85°C | -40°C~+85°C |
封口 | 15mm×11.5mm×6.7mm | 15mm×11.5mm×6.7mm |

效(xiao)能優質
LWH04T241WAD與PTH04T241WAD在根本技術參數上(shang)相(xiang)(xiang)對高度(du)兼容,列舉輸進相(xiang)(xiang)電(dian)壓(ya)位置(2.2V-5.5V)、輸出(chu)精度(du)相(xiang)(xiang)電(dian)壓(ya)範圍(0.69V-3.6V)和輸出(chu)的瞬時電(dian)流(10A)均維持一樣(yang)。當然,LWH04T241WAD在下述方位增添出(chu)有明顯主要優勢(shi):
更寬的任務(wu)溫(wen)度(du)因(yin)素范(fan)圍內:鼓勵-40℃至(zhi)173℃,遠(yuan)超(chao)PTH04T241WAD的-40℃至(zhi)85℃,愈(yu)加適宜高熱(re)工業(ye)環保。
國產產生鏈(lian)資源優(you)勢(shi):成(cheng)本投入減小20%-30%,交期周期公式快又穩定,可行防(fang)止亞(ya)太生產商鏈風險(xian)隱患。
高效化(hua)與(yu)簡化(hua)化(hua)規劃(hua):學習(xi)效率將高達94%,集成系統度不斷提升以減少周圍元器件封裝規模,PCB平(ping)面(mian)布(bu)置服務器負載減小15%,更適緊促型設施。
為社(she)確定LWH04T241WAD?
二極管封裝瀏覽器兼(jian)容性:用到11-DIP裝封,圖片尺寸為22.1mm×15.7mm×8.4mm,引(yin)腳級無縫拼接復制,不(bu)需要(yao)再次的設(she)計電源(yuan)線路。
國產系(xi)列化總價值:滿(man)足“自(zi)主性可調(diao)”國家政(zheng)策結構優化,越(yue)(yue)來越(yue)(yue)使于移(yi)動通(tong)訊移(yi)動信號塔、工控設備(bei)重新(xin)化等根本(ben)根本(ben)設備(bei)范疇。
中國(guo)多元化服務培訓(xun)保駕護航(hang):Leadway可以提(ti)供(gong)技(ji)術驗正、EMC網(wang)站優(you)化等(deng)特色化支技(ji),轉向建設(she)技(ji)術人(ren)員加快來(lai)完成帶替策劃方案趴地。
武漢市立維創展網絡不足工廠享有20年電子廠元電子元件技能1個,的專業的車輛生產制造和的品質團隊圖片,推動Leadway主機電源控制模塊廠(chang)(chang)品(pin)(pin)。以系統信息化為核心區,做最(zui)適宜(yi)貿易市(shi)場意愿(yuan)的廠(chang)(chang)品(pin)(pin)規格尺寸(cun)。廠(chang)(chang)品(pin)(pin)競品(pin)(pin)美系、日(ri)式,改(gai)變pin &pin修改(gai)如想要其它技巧適配,或產品(pin)(pin)的諮詢,熱烈歡迎諮詢。