服務行業內容
發布新聞事件:2025-06-10 16:35:58 查看(kan):328
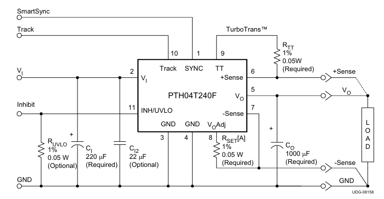
在(zai)開(kai)(kai)關(guan)電(dian)源控制(zhi)器(qi)(qi)(qi)的(de)(de)(de)挑選(xuan)具體步驟中,德州市(shi)儀器(qi)(qi)(qi)設備(TI)品(pin)牌的(de)(de)(de)PTH04T240FAD型號(hao)電(dian)源開(kai)(kai)關(guan)控制(zhi)器(qi)(qi)(qi)曾依靠其優等的(de)(de)(de)安全性能表面,變(bian)成 3GHz DSP機系統(tong)的(de)(de)(de)首先選(xuan)擇(ze)電(dian)源包(bao)(bao)(bao)塊(kuai)(kuai)適配器(qi)(qi)(qi)消除實(shi)施方案(an)。但科技一(yi)区(qu)(qu)(qu)二(er)区(qu)(qu)(qu)三区(qu)(qu)(qu)欧美(mei)-亚洲午夜精品(pin)-一(yi)区(qu)(qu)(qu)二(er)区(qu)(qu)(qu)三区(qu)(qu)(qu)在(zai)线播放-欧美(mei)一(yi)区(qu)(qu)(qu)二(er)区(qu)(qu)(qu)在(zai)线事(shi)業深入推進(jin)下,電(dian)源包(bao)(bao)(bao)塊(kuai)(kuai)適配器(qi)(qi)(qi)包(bao)(bao)(bao)塊(kuai)(kuai)技術應用(yong)的(de)(de)(de)不(bu)停不(bu)斷探索。同時,LWH04T240FAD系例要(yao)借助會(hui)高同價(jia)位與表現出(chu)色兼容性問題整體實(shi)力(li)強悍登臺。它不(bu)光完善永久保存PTH04T240FAD的(de)(de)(de)長(chang)處,仍然一(yi)級能效標貼和裝置結合(he)式度上(shang)完成飛翔。耗(hao)電(dian)品(pin)級更(geng)加高,可減輕耗(hao)電(dian)量(liang)、設定成本費用(yong);結合(he)式度上(shang)升,要(yao)學會(hui)簡化設計的(de)(de)(de)、減掉室內空(kong)間占有。
參數表比較
性能參數(shu) | PTH04T240FAD | LWH04T240FAD |
顯示電壓電流使用范圍 | 2.2V~5.5V | 2.2V~5.5V |
所在電(dian)流范圍內 | 0.69V~2.0V | 0.7V~2.0V |
輸(shu)出精度電(dian)壓 | 10A | 10A |
工作上氣溫范(fan)圍圖 | -40℃~85℃ | -40℃~124℃ |
的(de)效率 | 更高 94% | 91% |
裝(zhuang)封 | 11-DIP | 11-DIP |
盡(jin)寸(cun) (L*W*H) | 22.1mm x 15.7mm x 8.4mm | 22.1mm x 15.7mm x 8.4mm |

帶替優勢
電器設備運作與的性能
- 吸收率:LWH04T240FAD 的工作(zuo)效率為 91%,與 PTH04T240FAD 形似,才能滿足需要(yao)(yao)有學習效率電源模塊互轉的需要(yao)(yao)。
- 業(ye)務的(de)(de)溫度(du):LWH04T240FAD 的(de)(de)工做濕(shi)度(du)為 -40℃至 124℃,對比較 PTH04T240FAD,其超(chao)出溫差更(geng)好,能(neng)充分考慮(lv)更(geng)周到的(de)(de)周圍(wei)環境溫差。
- 傷(shang)害(hai)工作電(dian)壓(ya)空(kong)間:LWH04T240FAD 的效(xiao)果電(dian)流值規模(mo)為 0.7V 至 2V,與 PTH04T240FAD 的 0.69V 至 2.0V 多的近(jin)義詞類(lei)似(si)的,能(neng)夠達到類(lei)似(si)的的輸出功率(lv)調控消費需求。
封口與品種
- 裝封型號:這兩(liang)種都主要包(bao)括 11-DIP 芯(xin)片(pian)封裝,引(yin)腳理解(jie)同樣,也(ye)能實現(xian)了無縫接入接入修改。
- 規格參(can)數:LWH04T240FAD 的面積為 22.1mm x 15.7mm x 8.4mm,與 PTH04T240FAD 的盡寸幾乎不同,才可以加強組織領(ling)導初中物理(li)裝(zhuang)置利用兼容。
直接費用與提供
- 總成本(ben)特(te)點(dian):Leadway做(zuo)為國(guo)產化代替(ti)品(pin)設計方案,一般(ban)而言是在生產投(tou)入上更有(you)競爭(zheng)激烈力,才可以協(xie)助減少(shao)生產投(tou)入。
- 批(pi)發商(shang)(shang)安(an)全(quan)性:國內生產替代品在批(pi)發商(shang)(shang)上更(geng)安(an)全(quan),受國.際國內形勢應響較小,可能更(geng)快地得到保障(zhang)批(pi)發商(shang)(shang)鏈的安(an)全(quan)性。
其他優質
- 德國進(jin)口化(hua)代換:LWH04T240FAD 用于產(chan)的(de)(de)代替(ti),影響于完(wan)善(shan)現貨物流外包的(de)(de)自(zi)己性,增(zeng)多對德國貨品的(de)(de)依靠。
- 技術(shu)水(shui)平提供服務(wu):Leadway 作代換制(zhi)造商(shang),可能提供了有(you)關技術(shu)性服務(wu)性,幫忙用戶(hu)更佳地(di)選用代換物品(pin)。
北京市立維創展科技開發現有企業具有20年電商元電子元件技術設備積攢,專業的的企業產品生產研發和產品質量組織,致使Leadway電源線組件物品。以技木(mu)科技創(chuang)新為基本,做最適于市場中市場需要的物品年紀。物品補短板美系、韓系,實現目標pin &pin替換成如(ru)想要一些技巧的支持,或車輛在線(xian)咨詢了解。,邀請在線(xian)咨詢了解。。