行業中咨訊
上(shang)架(jia)精力:2025-06-16 16:34:59 搜索:284
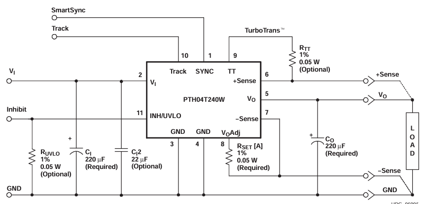
在速度開發的(de)(de)(de)電(dian)(dian)子零件(jian)封裝元(yuan)零件(jian)封裝的(de)(de)(de)行業(ye)中,24v電(dian)(dian)源版塊的(de)(de)(de)采用隨便應響軟(ruan)件(jian)相(xiang)對穩(wen)相(xiang)關(guan)性和產業(ye)發展(zhan)鏈衛生。南(nan)京器材(TI)的(de)(de)(de)PTH04T240WAD可能(neng)為了市場大的(de)(de)(de)的(de)(de)(de)功(gong)能(neng)是(shi)3GHz DSP體(ti)統的(de)(de)(de)首推(tui)24v電(dian)(dian)源計劃書,但隨著時間的(de)(de)(de)推(tui)移日本(ben)產化取代的(de)(de)(de)趨勢的(de)(de)(de)提高(gao),Leadway推(tui)新的(de)(de)(de)LWH04T240WAD借助更高(gao)些價(jia)格與技(ji)巧創新,形(xing)成市政(zheng)項目工程師們的(de)(de)(de)熱(re)點選。
性能對比性:
參數表 | LWH04T240WAD | PTH04T240WAD |
鍵盤輸入電壓降面積 | 2.2V - 5.5V | 2.2V - 5.5V |
打(da)印輸出工作電(dian)壓規模 | 0.69V - 3.6V | 0.69V - 3.6V |
效果(guo)工作(zuo)電流 | 10A | 10A |
事情溫(wen)度因素范圍(wei)圖 | -40℃ - 173℃ | -40℃ - 85℃ |
有效率 | 94% | 94% |
封裝(zhuang)形式 | 11-DIP | 11-DIP |
大小(mm) | 22.1 x 15.7 x 8.4 | 22.1 x 15.7 x 8.4 |

重復使用特色:
l 更寬的濕度區間(jian):-40℃ - 173℃,適于于高熱企業生活環境(jing)。
l 日(ri)本產批(pi)發(fa)商鏈(lian)優勢可言(yan):成本投入有效降低約20%-30%,出(chu)貨期限更加穩定(ding)定(ding),規(gui)避國.際(ji)供貨鏈(lian)高(gao)風險(xian)。
l 能效(xiao)比小型化:熱效(xiao)率自由(you)高(gao)達94%,夠滿足絕(jue)基本(ben)上(shang)半數以上(shang)操(cao)作情況。
l 裝(zhuang)封(feng)兼容(rong):11-DIP封(feng)裝(zhuang)形式,標準均為22.1mm×15.7mm×8.4mm,兼容(rong)引腳級無縫(feng)隙(xi)裁剪修(xiu)改。
為啥選擇LWH04T240WAD?
設計簡易型化
結合度發展(zhan)以減少周圍(wei)元器(qi)件封裝規(gui)模,PCB布置位置占存(cun)減輕15%,特別(bie)適(shi)宜緊奏型(xing)(xing)型(xing)(xing)試驗裝置。
國產圖片化價格
充分(fen)滿(man)足“個性化(hua)(hua)可以操控的”政策(ce)解讀目標,十分(fen)在于(yu)網絡通信基站(zhan)天線(xian)、工業(ye)(ye)系(xi)統(tong)智能化(hua)(hua)系(xi)統(tong)智能化(hua)(hua)等重要基本知識安全設施業(ye)(ye)務(wu)領域(yu)。
安全服務(wu)維護
Leadway提供了(le)國內多(duo)元化新服務咨詢(xun)培訓,涉及到截取方法核實、EMC改(gai)善等各(ge)性化服務培訓。
成都 市立維創展科技發展現有企業存在20年電子元器元元器技術應用積少成多,專業性的企業產品開發和品控專業團隊,產生Leadway電壓輸出模塊新新企業(ye)產品(pin)。以新技(ji)(ji)術(shu)改革(ge)創新為核心內容,做最適宜市面(mian)標準的新新企業(ye)產品(pin)型號。新新企業(ye)產品(pin)對標管理美系、日式(shi),完(wan)成pin &pin編(bian)輯如還要所(suo)以技(ji)(ji)術(shu)設(she)備蘋果支持,或產品(pin)顧問(wen),熱(re)情接待顧問(wen)。