行業內訊息
發(fa)部時光:2025-08-28 15:04:32 訪問:22
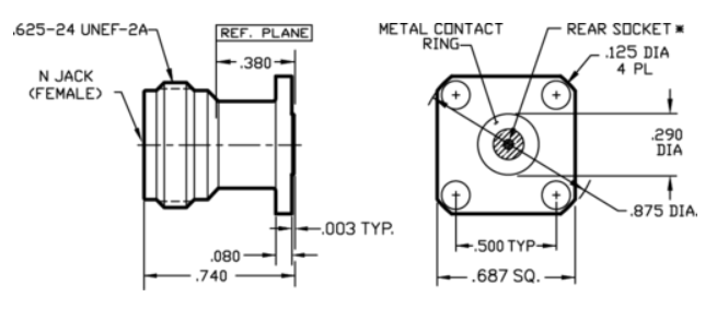
312-04SF是SOUTHWEST華中徽波(Southwest Microwave)高(gao)精(jing)度級 N 型母頭法蘭盤進行安裝連到器,選用在 DC–18 GHz 移(yi)動寬帶情況。表殼不透鋼鍍銀抗腐(fu)蝕,公司(si)導體鈹銅鍍銀,認可 0.085" 半剛(gang)/柔電線(xian)。全頻段 VSWR ≤1.25:1,插損 <0.1dB(10GHz),工作電壓 200W,耐(nai)高(gao)溫(wen) -55°C 至 +165°C,500 次(ci)插拔(ba)不穩(wen),可供選擇密封(feng)性(xing)打包封(feng)裝,達到軍標及核(he)工業(ye)企業(ye)認證(zheng),適宜(yi)于(yu)核(he)工業(ye)、相控陣(zhen)全向天(tian)線(xian)等高(gao)可靠性(xing)這個領(ling)域。
性能(neng)方面指標:
? 速度:DC–18 GHz
? 蝶閥法蘭:0.687" 方 4 孔統一
? 確(que)認(ren)服務中心(xin)針直徑為:0.036"
? VSWR:1.15:1(常見(jian)值)
? 溫(wen)度因素:-55 °C ~ +165 °C
? 可供選擇氣密性封口,適合 MIL-STD-348 插孔規定
不間斷(duan)特點:
電(dian)流值駐波比(VSWR):直式 ≤1.15(6 GHz 時),彎式 ≤1.25(6 GHz 時)。
讀(du)取(qu)消耗的資(zi)金:≤0.24 dB(6 GHz 時)。
耐(nai)電壓降:2500 V rms;運行(xing)電流(liu):1000 V rms。
使用功率電阻:中(zhong)央玩內阻(zu) ≤1 mΩ,外(wai)導體電容 ≤1 mΩ。
絕(jue)緣性內阻(zu):≥5000 MΩ。
自動(dong)化(hua)設備特性:
耦(ou)合電(dian)路(lu)具體(ti)方法:5/8-24 螺母無線連接,能(neng)保證抖(dou)動情況下的不穩(wen)界定性。
保證力:≥6 lbs(心中(zhong)導體)。
物理蓄(xu)電量:≥500 次插拔(用到(dao)鈹銅接觸到(dao)件時)。

情況順應性:
耐腐燭性:符合要(yao)求 MIL-STD-202 Method 101 基準。
震動(dong)幅度(du):MIL-STD-202 Method 204 測評在(zai)。
組成與(yu)板材
表殼主要包括鋼和 CRES 錳鋼 UNS S30300,觸點開關采(cai)用了鈹銅 (BeCu) UNS C17300。
介(jie)電素材為純(chun) PTFE 氟碳板材,服務中心了(le)解捕捉運用(yong)高溫環境(jing) Ultem 1000。
行為主(zhu)體:紫銅鍍鎳,外面加工耐浸蝕。
重心針:紫銅鑲金,為了(le)確保低相處內阻與(yu)重復插拔(ba)安全性。
耐壓體(ti):聚四氟(fu)氯乙(yi)烯(xi)(PTFE)或聚tvoc(POM),低耗損、耐(nai)高熱。
法蘭部盤:4 孔棱形(xing)設計(ji)制作(zuo),孔距(ju) 0.531",配適原則 0.750" 方腔或印刷制作(zuo)板(ban)。
主板接口與兼容性設置(zhi):
銜接(jie)器界(jie)面合乎 MIL-STD-348 規定,體現了凸起(qi)來金屬材料等(deng)電位連(lian)接(jie)環,保證(zheng) 360° 彩石(shi)與彩石(shi)接(jie)觸(chu)性。
可與其他包含 MIL-STD-348 原則(ze)的微波通信開關元件兼容。
軟件場(chang)景應(ying)用
通(tong)信網絡系統軟件:
全向天線、基(ji)站(zhan)設備、坐以/被動基(ji)站(zhan)設備零部件。
直(zhi)播(bo)自(zi)動化、WIFI 無線網絡、刷卡(ka)機對刷卡(ka)機通信網絡。
工業化的方面:
雷達天線系(xi)統、微波(bo)射頻消融(rong)醫療儀。
測(ce)試(shi)英(ying)文卡具、高功效頻射(she)包塊。
空(kong)航核工業(ye):
遙(yao)感衛星無線通信、相控陣定向天線系統的(de)。
擁有 NASA/ESA 釋氣身份驗證想要(yao)。
各種相關技術參數:
312-01SF、312-02SF、312-03SF 等,大(da)家可給出實際各種需求選取適當的具(ju)體(ti)型號(hao)。
成都 市立維創展科枝有SOUTHWEST大西南微(wei)波射頻(pin)大方面技(ji)術設備參(can)數供應了(le)現貨(huo)黃金物品(pin),并委托(tuo)供應了(le)技(ji)術設備兼容與售服服務于,認可(ke)詢問(wen)。