HMC7149/HMC7149-SX氮化鎵(GaN) MMIC熱效率放縮器 ADI現貨黃金加盟代理
上線時間:2018-06-22 16:02:59 打開網頁:2370
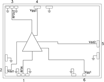
HMC7149有的是款10W氮化鎵(GaN) MMIC最大工作額定功率圖像變成儀,工作任務速度范圍圖為6至18 GHz。 平常條件下,該圖像變成儀出示20 dB的小數字預警增加收益、+40 dBm的趨于穩定輸送電壓最大工作額定功率與+39.5 dBm的輸送電壓IP3(每數字預警音+28 dBm輸送電壓最大工作額定功率時)。 用到+28V直流外接電源外接電源時,HMC7149的耗電為680 mA。 RF I/O識別至50 Ω,可不可以非常方便功能模塊化到多處理器功能模塊(MCM)中。 全部的不間斷成套性能方面數據文件均憑借不間斷成套聯接至機的薄厚為1.02 mm (40 mil)的CuMo平臺的處理器修改,而個截面積為1.0 mil的焊線聯接處理器至50 ?氧化物鋁無線傳輸配電線路。
|
品牌
|
型號
|
描述
|
貨期
|
庫存
|
|
ADI
|
HMC7149
HMC7149-SX
|
10 W GaN MMIC功率放大器,6 - 18 GHz
|
現貨
|
100
|
HMC7149利(li)用(yong)
HMC7149優勢和特點
-
高Psat: +40 dBm
-
Psat時的功率增益: +10 dB
-
高輸出IP3: +39.5 dBm
-
小信號增益: 20 dB
-
電源電壓: +28V (0.680 A)
-
50 Ω匹配輸入/輸出
-
芯片尺寸: 3.4 x 4.5 x 0.1 mm2
HMC7149結構圖
