118097-HMC646LP2/118098-HMC646LP2/118099-HMC646LP2/118100-HMC646LP2 SPDT開關
2018-07-24 16:45:29
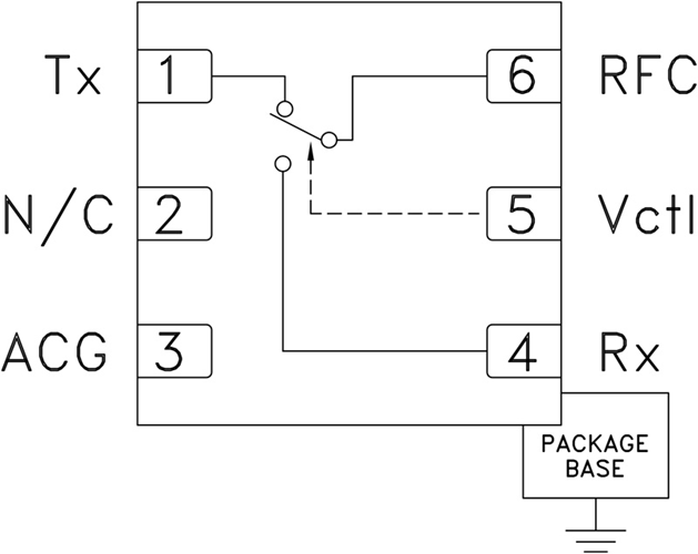
HMC646LP2(E)就是款SPDT控制電源開關,app無引腳DFN表貼塑膠片打包封裝,可以用在于放出/傳輸和LNA保護措施等條件超低失幀和多達40 W、占空比不超10%的高電功率app。 這牌魯棒的控制電源開關可控硅調光制100 - 2100 MHz*的移動信號,越來越合適TD-SCDMA/3G中繼器、PMR、客車跨網信息查詢處理和小行星用戶組華為設備app。