?2318窄帶帶通濾波器:KR Electronics高頻信號處理解決方案
2025-08-12 16:50:11
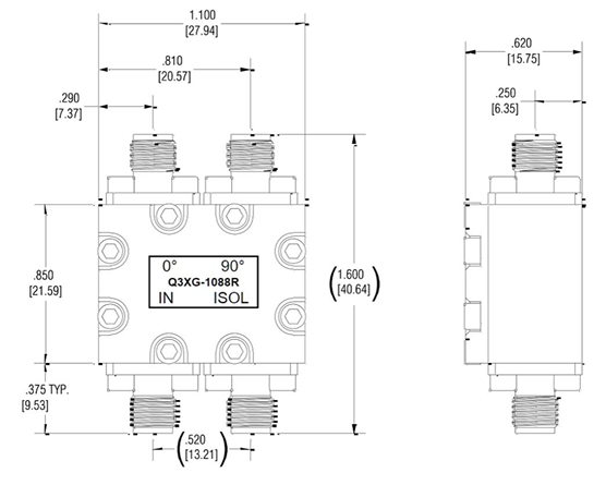
2318 是 KR Electronics 投入市場的高安全性能窄帶帶通濾波器,專為高速度信號燈處理裝修設計,利用細密 LC 諧振電線空間結構,具有機構的速度會員精準營銷、通帶衰減少、阻帶能夠緩和強等因素,速度面積 3 kHz - 10 kHz(3 dB 通帶),機構的速度 6.5 kHz,通網絡帶寬度 7 kHz,進到這一領域耗損≤1.5 dB,阻帶能夠緩和≥32 dB,端口號電位差規范標準 10 kΩ且可訂制