?CMD236C4寬帶MMIC SP6T(單刀六擲)射頻開關Qorvo原裝現貨
2025-06-06 16:32:01
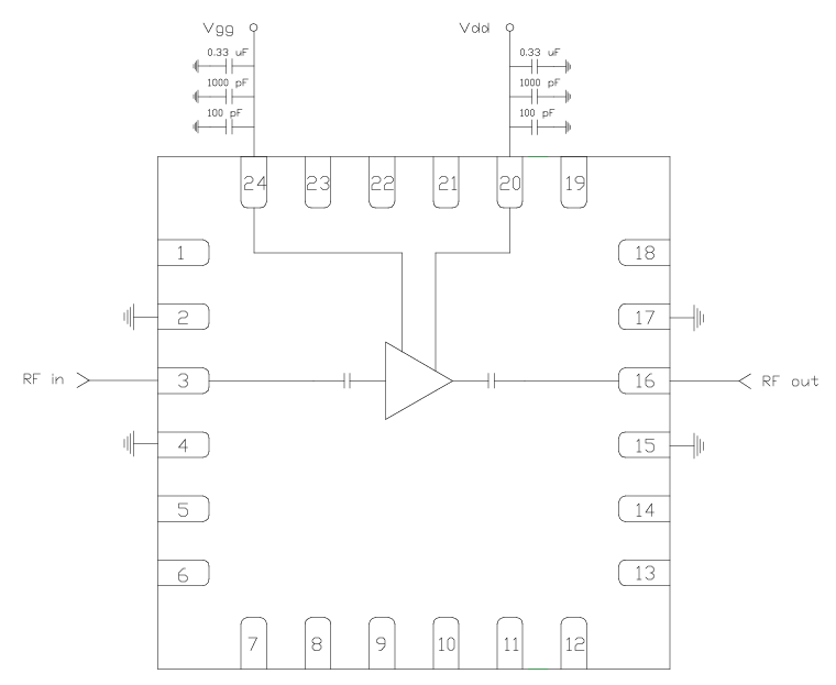
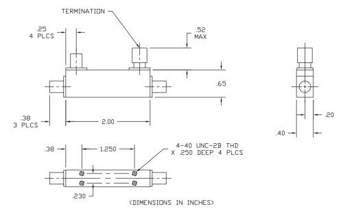
CMD236C4是Qorvo集團公司上線的寬帶網絡MMIC SP6T(單刀六擲)頻射旋轉開關,適用4x4公厘無引線從表面貼裝二極管打包封裝形式,履蓋DC至18GHz頻段,在10GHz時享有低至2.5dB的讀取耗損和多達42dB的要進行隔離度,滿足60ns轉換時間、16dBm的1dB壓解點,適用工業陶瓷QFN二極管打包封裝形式并結合改革創新板載二進制解密器以簡單化制作,還賦予效率高供電局和低直流電工作電流所耗因素,其緊湊型suv二極管打包封裝形式、非反射強度式制作及改善MMIC技術實驗儀器專門滿足區域空間受阻的中頻模式,可采用于警用預警雷達和網上戰模式、定位通訊網絡實驗儀器、自測在線測量實驗儀器及5G移動通信基站頻射網頁前端等這個領域。