產業最新資訊
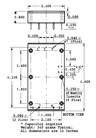
MTC30 AC-DC醫療電源模塊ARCH是30瓦超緊湊型電源,尺寸2.52“ x 1.8” x 0.93“,適合PCB安裝。輸入90-264VAC,低空載功耗<0.15W,通過自然空冷。具低漏電流、-40°C~+80°C工作溫度、低紋波和噪聲、隔離等級II、I/O隔離4000VAC。符合UL/IEC 60950-1、UL/IEC 60601-1醫療安全認證,享有3年保修。