AM07512041WN-SN-R/AM07512041WN-00-R功率放大器芯片 代理現貨
2019-02-20 14:36:54
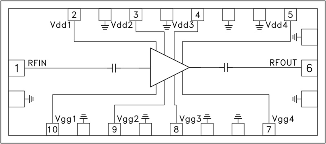
AMCOM子公司的AM07512041WN-SN-R/AM07512041WN-00-R心片是款聯通寬帶氮化鎵MMIC耗油率放縮器。它在8.25至11.75GHz頻段都具有28dB的增益值值和42dBm的讀取的耗油率。AM7512041WN-SN-R選用瓷磚封裝,帶異活套法蘭和直頻射和整流引線,在加上式安裝。它的增益值值為27db,讀取的耗油率為41dbm,在8.25至11.75GHz頻段。