RFLI090M21M29超寬帶同軸隔離器RF-LAMBDA
2024-06-21 08:46:13
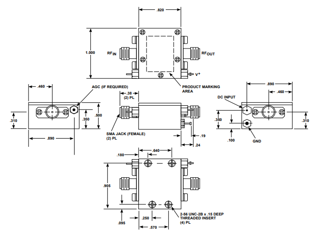
RFLI090M21M29是RF-LAMBDA的三款加寬帶同軸防護器,任務上的頻率為214MHz至286MHz,包括0.6dB極大插入圖損耗費、19dB最窄防護度、1.3:1 VSWR和50W連繼波正向著任務電壓。它支技N型或SMA型對接器,電位差為50Ω,任務上室溫位置為-40°C至+85°C。該防護器常用到無線路由依據公用設施、軍事、航空公司航天科技、測驗設備、預警雷達系統軟件、5G數據通信等的領域,包括順暢的抗振和碰撞耐磨性,可在獨角獸高達30,000公尺的海撥角度角度下任務上。